СÐÍ·çÁ¦·¢µç»ú¡¢µç¶ÆÐÐÒµÉ豸¡¢¼ÓÈȹö¶¯µÈÐèÒª´ó¹¦ÂÊ£¬´óµçÁ÷µÄÓ¦ÓÃÉ豸£¬ÁíÍ⻹ÓÐÆäËû¹¤Òµ¿ØÖÆÁìÓòÒ²´óÁ¿Óõ½£¬Èç¼õÕðÆ÷´óµçÁ÷»¬»·£¬ÎÛË®´¦ÀíÉ豸»¬»·£¬¸ßÇ¿¶ÈʯÓͲ⾮ÒÇÆ÷µ¼µç»¬»·£¬»úÆ÷È˺¸½ÓÉ豸»¬»·£¬´óµçÁ÷µ¼µç»¬»·£¬Çå²Ö»úÓ÷۳¾·À±¬»¬»·£¬¸ßε绬»·£¬¼ÓÈÈתÖỬ»· yoºæ¸É»ú£¬³´ÁÏ»ú£¬¼ÓÈȽÁ°è»ú廬»·µÈµÈ£»

| ¼¼Êõ¹æ¸ñ²ÎÊý | ||||
| »úе¼¼ÊõÖ¸±ê | µçÆø¼¼ÊõÖ¸±ê | |||
| ²ÎÊý | ÊýÖµ | ²ÎÊý | ÊýÖµ | |
| ¹¤×÷ÊÙÃü | 2000Íòת | ¹¦ÂÊ | ÐźŠ| |
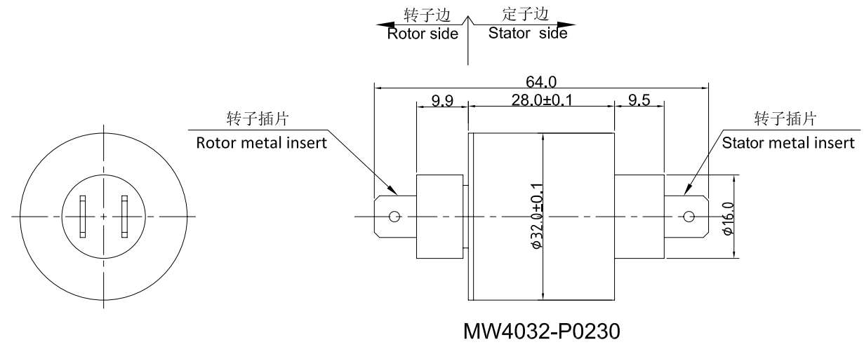
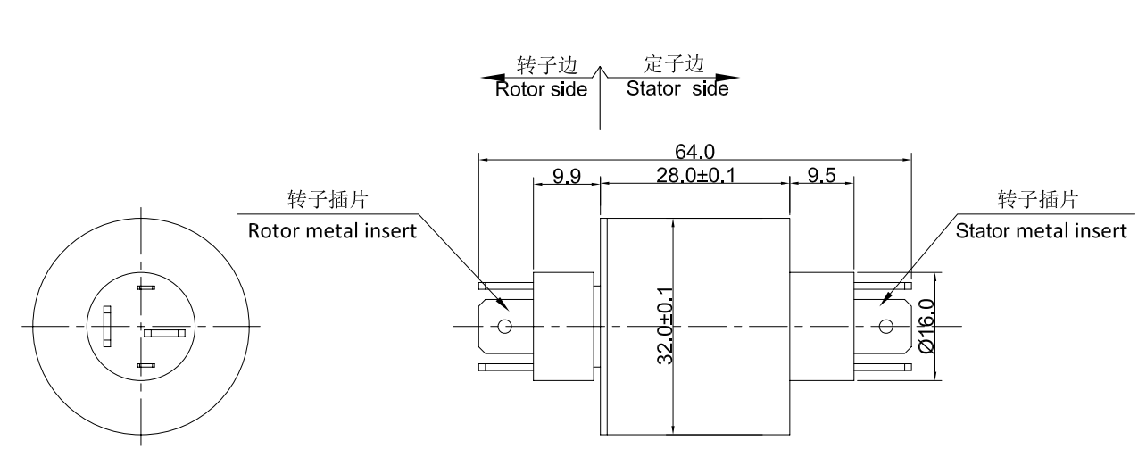
| ¶î¶¨×ªËÙ | 250RPM | ¶î¶¨µçѹ | 0~220VAC/VDC | 0~220VAC/VDC |
| ¹¤×÷ÎÂ¶È | -30¡æ~80¡æ/-45¡æ~80¡æ | ¾øÔµµç×è | ¡Ý500M¦¸/300VDC | ¡Ý500M¦¸/300VDC |
| ¹¤×÷ʪ¶È | 0~85%RH/0~97%RH | µ¼Ïß¹æ¸ñ | ³ö²åƬ | ³ö²åƬ |
| ½Ó´¥²ÄÁÏ | ½ð-½ð | µ¼Ïß³¤¶È | ±ê×¼³¤¶È300mm£¨¿É¾ÝÒªÇóµ÷Õû£© | |
| ¿ÇÌå²ÄÁÏ | ÂÁºÏ½ð/¹¤³ÌËÜÁÏ | ¾øÔµÇ¿¶È | 200VAC@50Hz£¬60s | |
| ת¶¯Å¤¾Ø | 0.1N.m£»+0.03N.m/6· | ¶¯Ì¬µç×è±ä»¯Öµ | <0.01¦¸ | |
| ·À»¤µÈ¼¶ | IP51 | |||








¾¹ý¶àÄêµÄ¾Ñé»ýÀÛ£¬Ä¬æÚÁúÓµÓÐ20Íò¶à¸ö²úÆ·3DͼµµÊý¾Ý¿â£¬
ÓÉÓÚ»¥ÁªÍøµÄ¿ª·ÅÐÔºÍͬÐоºÕù£¬ÐèÒª²úÆ·3DͼµµµÄ¿Í»§ÇëÁôϵç×ÓÓÊÏä»òÕßQQ¡£
ÉóºËÍêÁªÏµ·½Ê½ºó£¬ÎÒÃǵÄϵͳ½«ÔÚ5·ÖÖÓÄÚ°Ñ3D×Ô¶¯·¢¶¯µ½ÄúµÄµç×ÓÓÊÏ䣡