¸ßƵ/ͬÖá/²¨µ¼Ðýת½ÓÍ·ÒÔǰÖ÷ÒªÓÃÓÚ¾ü¹¤ÁìÓò£¬Ëæ×žüÃñÈÚºÏÕþ²ßµÄÖð²½Â䵨£¬ ÃñÓòúÆ·Ò²Ô½À´Ô½¶àÓõ½¸ßƵ»¬»·µÈϵÁвúÆ·£¬Ö÷ÒªÓ¦ÓÃÓÚ360¶ÈÁ¬ÐøÐýתÇÒÐèÒª±£Ö¤µçÔ´£¬¸ßƵ²¨µ¼ÐźŲ»ÄÜÖжϵij¡ºÏ£ºÈç¸÷ÖÖ¾üÓÃÀ״´¬ÔØÎÀÐÇͨÐÅ×°Ö㬳µÔØÎÀÐÇͨÐÅÉ豸£¬ÎÀÐdzµ£¬Ó¦¼±¾ÈÔÖÖ¸»Ó³µ£¬¸ß¶Ë»úÆ÷ÈË¡¢³µÁ¾ÉϵÄת¶¯ÅÚËþ¡¢Ô¶³Ì¿ØÖÆÏµÍ³¡¢À×´ïÌìÏß¡¢Ò½ÁÆÏµÍ³¡¢ÊÓÆµ¼àÊÓϵͳ¡¢±£ÕϹú¼Ò»ò¹ú¼Ê°²È«ÏµÍ³º£µ××÷ҵϵͳ¡¢½ô¼±ÕÕÃ÷É豸¡¢»úÆ÷ÈË¡¢Õ¹ÀÀ/ÏÔʾÉ豸µÈ£»

| ¼¼Êõ¹æ¸ñ²ÎÊý | ||||
| ¸ßƵ²¿·Ö¼¼ÊõÖ¸±ê | »úе¼¼ÊõÖ¸±ê | |||
| ²ÎÊý | ÊýÖµ | ²ÎÊý | ÊýÖµ | |
| ƵÂÊ | 0~3GHz | ¹¤×÷ÊÙÃü | 500Íòת | |
| ¶î¶¨¹¦ÂÊ | 5W | ¶î¶¨×ªËÙ | 150RPM | |
| פ²¨±ÈVSWR | <1.3 | ¹¤×÷ÎÂ¶È | -30¡æ~80¡æ | |
| ²åÈëËðºÄ | 0.3db | ¹¤×÷ʪ¶È | 0~85% RH | |
| פ²¨±ÈVSWR²¨¶¯ | <0.05 | ½Ó´¥²ÄÁÏ | ½ð-½ð | |
| ²åÈëËðºÄ²¨¶¯ | 0.05db | ¿ÇÌå²ÄÁÏ | ÂÁºÏ½ð | |
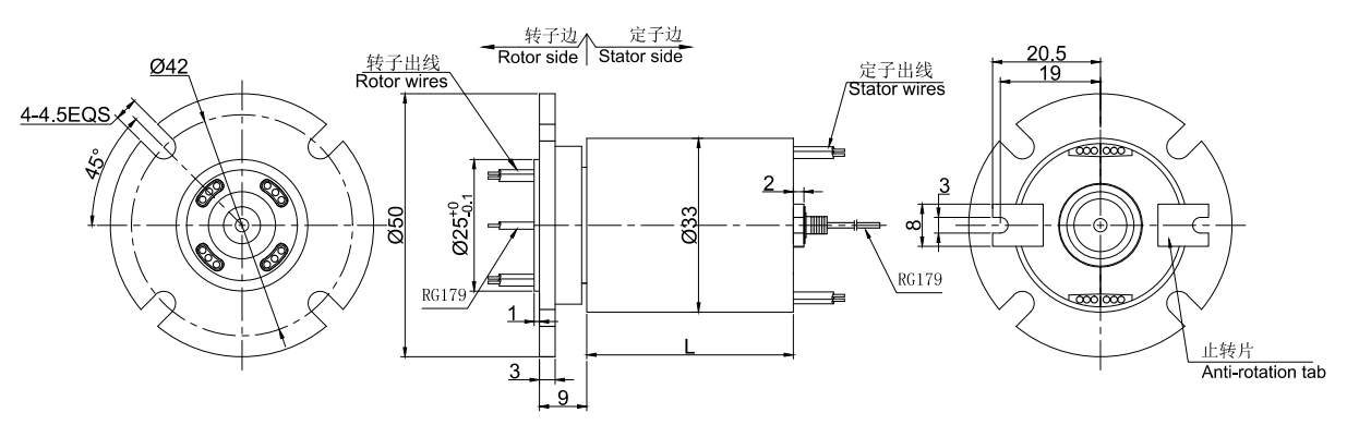
| ½ÓÍ·ÀàÐÍ | Ö±½Ó³öͬÖáµçÀ | ת¶¯Å¤¾Ø | 0.1N.m£»+0.03N.m/6· | |
| ÌØÐÔ×迹 | 50¦¸»ò75¦¸ | ·À»¤µÈ¼¶ | IP51 | |
| µçÆø¼¼ÊõÖ¸±ê | ||||
| ²ÎÊý | ÊýÖµ | |||
| ¹¦ÂÊ | ÐźŠ| |||
| ¶î¶¨µçѹ | 0~440VAC/VDC | 0~240VAC/VDC | ||
| ¾øÔµµç×è | ¡Ý1000M¦¸/500VDC | ¡Ý1000M¦¸/500VDC | ||
| µ¼Ïß¹æ¸ñ | AWG16#¶ÆÎýÌú·úÁú | AWG22#¶ÆÎýÌú·úÁú | ||
| µ¼Ïß³¤¶È | ±ê×¼³¤¶È300mm£¨¿É¾ÝÒªÇóµ÷Õû£© | |||
| ¾øÔµÇ¿¶È | 500VAC@50Hz£¬60s | |||
| ¶¯Ì¬µç×è±ä»¯Öµ | <0.01¦¸ | |||








¾¹ý¶àÄêµÄ¾Ñé»ýÀÛ£¬Ä¬æÚÁúÓµÓÐ20Íò¶à¸ö²úÆ·3DͼµµÊý¾Ý¿â£¬
ÓÉÓÚ»¥ÁªÍøµÄ¿ª·ÅÐÔºÍͬÐоºÕù£¬ÐèÒª²úÆ·3DͼµµµÄ¿Í»§ÇëÁôϵç×ÓÓÊÏä»òÕßQQ¡£
ÉóºËÍêÁªÏµ·½Ê½ºó£¬ÎÒÃǵÄϵͳ½«ÔÚ5·ÖÖÓÄÚ°Ñ3D×Ô¶¯·¢¶¯µ½ÄúµÄµç×ÓÓÊÏ䣡