吊车应用是非常广泛的,我们修桥,建房,港口运货是必不可少的,吊车的用处在于吊装设备、抢险、起重、机械、救援,我们统称工程机械。
工程机械是中国装备工业的重要组成部分,那大电流滑环起到什么作用呢?概括的说,凡土石方施工工程、路面建设与保养、流动式起重装卸作业和各种建筑工程所需的综合性机械装备,都需借助是大电流滑环使用。

下图就是默孚龙大电流滑环在吊车改装电子油门上的应用:

默孚龙大电流滑环安装在吊车上面有什么好处呢?
首先我们采用的是大电流滑环,线路有1-12环,电压可承受600V(有需求可定制)完美配合吊车这种大功率的工业设备,又可以决解吊车绕线问题,可以在高温的环境中作业,工作寿命可达1000W转。
下面是默孚龙大电流滑环参数图:

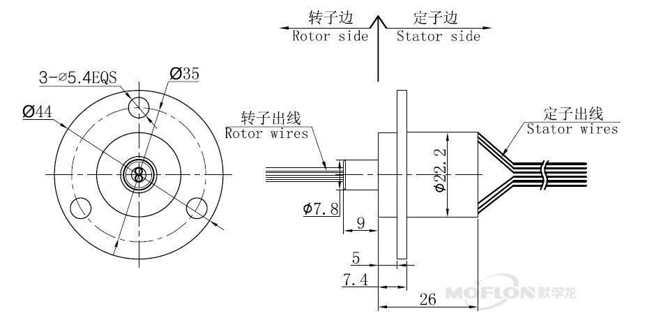
默孚龙大电流滑环图纸:

吊车使用默孚龙大电流滑环的优势还是很明显的,大电流滑环的应用便是需要大功率,大电流的应用设备,厂家可根据客户要求进行定制,默孚龙15年研发,品质有保障!
Tag:大电流滑环,工业专用滑环,默孚龙
关于我们
产品中心
一键拨号
联系方式