¸ßƵ/ͬÖá/²¨µ¼Ðýת½ÓÍ·ÒÔǰÖ÷ÒªÓÃÓÚ¾ü¹¤ÁìÓò£¬Ëæ×žüÃñÈÚºÏÕþ²ßµÄÖð²½Â䵨£¬ ÃñÓòúÆ·Ò²Ô½À´Ô½¶àÓõ½¸ßƵ»¬»·µÈϵÁвúÆ·£¬Ö÷ÒªÓ¦ÓÃÓÚ360¶ÈÁ¬ÐøÐýתÇÒÐèÒª±£Ö¤µçÔ´£¬¸ßƵ²¨µ¼ÐźŲ»ÄÜÖжϵij¡ºÏ£ºÈç¸÷ÖÖ¾üÓÃÀ״´¬ÔØÎÀÐÇͨÐÅ×°Ö㬳µÔØÎÀÐÇͨÐÅÉ豸£¬ÎÀÐdzµ£¬Ó¦¼±¾ÈÔÖÖ¸»Ó³µ£¬¸ß¶Ë»úÆ÷ÈË¡¢³µÁ¾ÉϵÄת¶¯ÅÚËþ¡¢Ô¶³Ì¿ØÖÆÏµÍ³¡¢À×´ïÌìÏß¡¢Ò½ÁÆÏµÍ³¡¢ÊÓÆµ¼àÊÓϵͳ¡¢±£ÕϹú¼Ò»ò¹ú¼Ê°²È«ÏµÍ³º£µ××÷ҵϵͳ¡¢½ô¼±ÕÕÃ÷É豸¡¢»úÆ÷ÈË¡¢Õ¹ÀÀ/ÏÔʾÉ豸µÈ£»

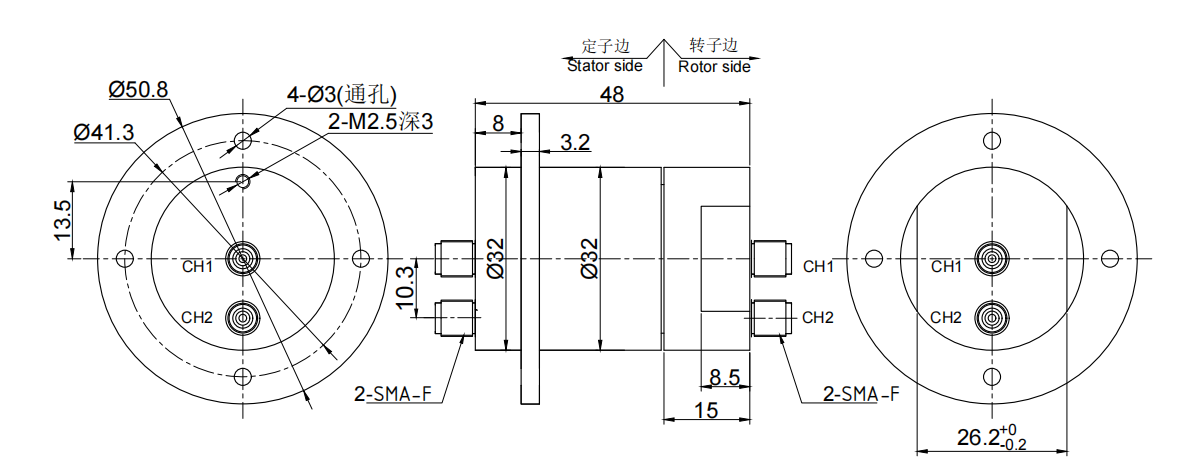
| ¼¼Êõ¹æ¸ñ²ÎÊý | |||
| »úе¼¼ÊõÖ¸±ê | ¸ßƵ²¿·Ö¼¼ÊõÖ¸±ê | ||
| ²ÎÊý | ÊýÖµ | ²ÎÊý | ÊýÖµ |
| ¹¤×÷ÊÙÃü | 500Íòת | ƵÂÊ | 0~18GHz |
| ¶î¶¨×ªËÙ | 100RPM | פ²¨±ÈVSWR | <1.3 |
| ¹¤×÷ÎÂ¶È | -30¡æ~80¡æ | ²åÈëËðºÄ | 0.3db |
| ¹¤×÷ʪ¶È | 0~85% RH | פ²¨±ÈVSWR²¨¶¯ | <0.05 |
| ½Ó´¥²ÄÁÏ | ½ð-½ð | ²åÈëËðºÄ²¨¶¯ | 0.05db |
| ¿ÇÌå²ÄÁÏ | ²»Ðâ¸Ö | ½ÓÍ·ÀàÐÍ | SMA |
| ת¶¯Å¤¾Ø | 0.1N.m£»+0.03N.m/6· | ÌØÐÔ×迹 | 50¦¸ |
| ·À»¤µÈ¼¶ | IP51 | ||








¾¹ý¶àÄêµÄ¾Ñé»ýÀÛ£¬Ä¬æÚÁúÓµÓÐ20Íò¶à¸ö²úÆ·3DͼµµÊý¾Ý¿â£¬
ÓÉÓÚ»¥ÁªÍøµÄ¿ª·ÅÐÔºÍͬÐоºÕù£¬ÐèÒª²úÆ·3DͼµµµÄ¿Í»§ÇëÁôϵç×ÓÓÊÏä»òÕßQQ¡£
ÉóºËÍêÁªÏµ·½Ê½ºó£¬ÎÒÃǵÄϵͳ½«ÔÚ5·ÖÖÓÄÚ°Ñ3D×Ô¶¯·¢¶¯µ½ÄúµÄµç×ÓÓÊÏ䣡