2025年老哥论坛51一品茶楼,小红楼论坛资料大全最新版本更新内 ,老九品茶楼凤楼论坛官网51论坛一品楼,51风流平台现在叫什么名字51一品茶楼论坛

MUSB2122系列 USB滑环
MUSB2122系列 USB滑环
  • · 2通道USB2.0+ 1~30 路 功率/信号 USB专用滑环
  • · MUSB2122系列USB滑环,内孔12.7mm,外径为标准56mm的紧凑型整体式结构的2通道 USB1.0/USB2.0整体式精密导电滑环,
  • · 能混合传输功率电流, 信号等!
  • · 具有传输稳定,不丢包,不串码,回损小,插入损耗小等优点。
  • · 美国军工镀层技术,贵金属+超硬镀金处理、超低的BER误码率和超高的信噪比。

典型应用:

工业机器加工中心、旋转工作台、重型设备塔台、电缆卷盘、包装设备、磁性离合器、工艺控制设备、旋转传感器、紧急照明设备、机器人、展览/显示设备、医疗设备、旋转门等;

型号订购说明:

技术规格参数
USB部分技术指标机械技术指标
参数数值参数数值
USBUSB1.0,USB2.0工作寿命2000万转
接头USB TYPE-A 母头额定转速600RPM
误码率BER10E-11工作温度-30℃~80℃
电气技术指标工作湿度0~85% RH
参数数值接触材料金-金
功率信号壳体材料铝合金
额定电压0~440VAC/VDC0~440VAC/VDC转动扭矩0.1N.m;+0.03N.m/6路
绝缘电阻≥1000MΩ/500VDC≥1000MΩ/500VDC防护等级IP51
导线规格AWG16#镀锡铁氟龙AWG22#镀锡铁氟龙
导线长度标准长度300mm(可据要求调整)
绝缘强度500VAC@50Hz,60s
动态电阻变化值<0.01Ω


MUSB2122-2通道USB滑环系列选型表
型号USB通道10A20A信号或5A长度 L(mm)
MUSB2122-S02 2 0 0 2 54.8
MUSB2122-P0210 2 2 0 0 54.8
MUSB2122-P0220 2 0 2 0 71.6
MUSB2122-S08 2 0 0 8 71.6
MUSB2122-P0210-S06 2 2 0 6 71.6
MUSB2122-P0610-S02 2 6 0 2 71.6
MUSB2122-S14 2 0 0 14 88.4
MUSB2122-P1410 2 14 0 0 88.4
MUSB2122-P0610-S08 2 6 0 8 88.4
MUSB2122-P1010-S04 2 10 0 4 88.4
MUSB2122-S20 2 0 0 20 105.2
MUSB2122-S26(2A) 2 0 0 26 125
MUSB2122-S32(2A) 2 0 0 32 141.8

1) N个10A 电流环并起来可作为1路N*10A电流环使用;比如: 2环10A 并起来做作为 1路20A 使用。
2)10A,20A,5A可根据自己的需要任何组合,请联系客服帮助选型。

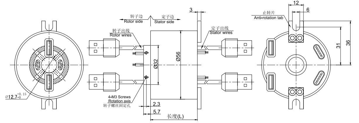
标准图纸

同系列更多产品参考:
获取产品3D图纸
X

经过多年的经验积累,默孚龙拥有20万多个产品3D图档数据库,
由于互联网的开放性和同行竞争,需要产品3D图档的客户请留下电子邮箱或者QQ。

审核完联系方式后,我们的系统将在5分钟内把3D自动发动到您的电子邮箱!