2025年老哥论坛51一品茶楼,小红楼论坛资料大全最新版本更新内 ,老九品茶楼凤楼论坛官网51论坛一品楼,51风流平台现在叫什么名字51一品茶楼论坛

±ê×¼²úÆ··ÖÀà

MUSB2121ϵÁÐ USB»¬»·
MUSB2121ϵÁÐ USB»¬»·
  • ¡¤ 1ͨµÀUSB2.0+ 1~32 ͨµÀ ¹¦ÂÊ/ÐźŠUSBרÓû¬»·
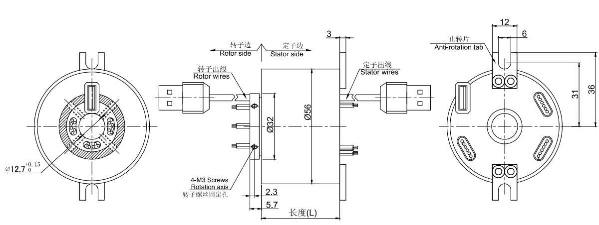
  • ¡¤ MUSB2121ϵÁÐUSB»¬»·£¬ÄÚ¿×12.7mm£¬Í⾶Ϊ±ê×¼56mmµÄ½ô´ÕÐÍÕûÌåʽ½á¹¹µÄ1ͨµÀ USB1.0/USB2.0ÕûÌåʽ¾«Ãܵ¼µç»¬»·£¬
  • ¡¤ ÄÜ»ìºÏ´«Ê书ÂʵçÁ÷£¬ ÐźŵÈ£¡
  • ¡¤ ¾ßÓд«ÊäÎȶ¨£¬²»¶ª°ü£¬²»´®Â룬»ØËðС£¬²åÈëËðºÄСµÈÓŵã¡£
  • ¡¤ ÃÀ¹ú¾ü¹¤¶Æ²ã¼¼Êõ£¬¹ó½ðÊô+³¬Ó²¶Æ½ð´¦Àí¡¢³¬µÍµÄBERÎóÂëÂʺͳ¬¸ßµÄÐÅÔë±È¡£

µäÐÍÓ¦Óãº

¹¤Òµ»úÆ÷¼Ó¹¤ÖÐÐÄ¡¢Ðýת¹¤×÷̨¡¢ÖØÐÍÉ豸Ëþ̨¡¢µçÀ¾íÅÌ¡¢°ü×°É豸¡¢´ÅÐÔÀëºÏÆ÷¡¢¹¤ÒÕ¿ØÖÆÉ豸¡¢Ðýת´«¸ÐÆ÷¡¢½ô¼±ÕÕÃ÷É豸¡¢»úÆ÷ÈË¡¢Õ¹ÀÀ/ÏÔʾÉ豸¡¢Ò½ÁÆÉ豸¡¢ÐýתÃŵÈ£»

ÐͺŶ©¹ºËµÃ÷£º

¼¼Êõ¹æ¸ñ²ÎÊý
USB²¿·Ö¼¼ÊõÖ¸±ê»úе¼¼ÊõÖ¸±ê
²ÎÊýÊýÖµ²ÎÊýÊýÖµ
USBUSB1.0,USB2.0¹¤×÷ÊÙÃü2000Íòת
½ÓÍ·USB TYPE-A ĸͷ¶î¶¨×ªËÙ600RPM
ÎóÂëÂÊBER10E-11¹¤×÷ζÈ-30¡æ~80¡æ
µçÆø¼¼ÊõÖ¸±ê¹¤×÷ʪ¶È0~85% RH
²ÎÊýÊýÖµ½Ó´¥²ÄÁϽð-½ð
¹¦ÂÊÐźſÇÌå²ÄÁÏÂÁºÏ½ð
¶î¶¨µçѹ0~440VAC/VDC0~440VAC/VDCת¶¯Å¤¾Ø0.1N.m£»+0.03N.m/6·
¾øÔµµç×è¡Ý1000M¦¸/500VDC¡Ý1000M¦¸/500VDC·À»¤µÈ¼¶IP51
µ¼Ïß¹æ¸ñAWG16#¶ÆÎýÌú·úÁúAWG22#¶ÆÎýÌú·úÁú
µ¼Ïß³¤¶È±ê×¼³¤¶È300mm£¨¿É¾ÝÒªÇóµ÷Õû£©
¾øÔµÇ¿¶È500VAC@50Hz£¬60s
¶¯Ì¬µç×è±ä»¯Öµ<0.01¦¸


MUSB2121µ¥Í¨µÀUSB»¬»·ÏµÁÐÑ¡Ðͱí
ÐͺÅUSBͨµÀ10A20AÐźŻò5A³¤¶È L£¨mm)
MUSB2121-S01100138
MUSB2121-P0110110038
MUSB2121-P0320103054.8
MUSB2121-S07100754.8
MUSB2121-P0210-S05120554.8
MUSB2121-P0610-S01160154.8
MUSB2121-S131001371.6
MUSB2121-P13101130071.6
MUSB2121-P0410-S09140971.6
MUSB2121-P0810-S05180571.6
MUSB2121-S191001988.4
MUSB2121-S2510025105.2
MUSB2121-S3110031125

1) N¸ö10A µçÁ÷»·²¢ÆðÀ´¿É×÷Ϊ1·N*10AµçÁ÷»·Ê¹Óã»±ÈÈç: 2»·10A ²¢ÆðÀ´×ö×÷Ϊ 1·20A ʹÓá£
2£©10A£¬20A£¬5A¿É¸ù¾Ý×Ô¼ºµÄÐèÒªÈκÎ×éºÏ£¬ÇëÁªÏµ¿Í·þ°ïÖúÑ¡ÐÍ¡£

±ê׼ͼֽ

ͬϵÁиü¶à²úÆ·²Î¿¼£º
»ñÈ¡²úÆ·3Dͼֽ
X

¾­¹ý¶àÄêµÄ¾­Ñé»ýÀÛ£¬Ä¬æÚÁúÓµÓÐ20Íò¶à¸ö²úÆ·3DͼµµÊý¾Ý¿â£¬
ÓÉÓÚ»¥ÁªÍøµÄ¿ª·ÅÐÔºÍͬÐоºÕù£¬ÐèÒª²úÆ·3DͼµµµÄ¿Í»§ÇëÁôϵç×ÓÓÊÏä»òÕßQQ¡£

ÉóºËÍêÁªÏµ·½Ê½ºó£¬ÎÒÃǵÄϵͳ½«ÔÚ5·ÖÖÓÄÚ°Ñ3D×Ô¶¯·¢¶¯µ½ÄúµÄµç×ÓÓÊÏ䣡