2025年老哥论坛51一品茶楼,小红楼论坛资料大全最新版本更新内 ,老九品茶楼凤楼论坛官网51论坛一品楼,51风流平台现在叫什么名字51一品茶楼论坛

MSP103系列 (3路1A)分体式电滑环
MSP103系列 (3路1A)分体式电滑环
  • · MSP103 分体式滑环是属于微型滑环一种,采用分离的转子和接触刷组合,
  • · 支持3路信号/2A,定子线和转子线对应使用3色彩色导线,使电路连接简单化。
  • · 导电环采用90度角V型槽设计,具有顺畅旋转,低力矩和低电气噪音的特点,从而性能超越普通的滑环产品。

典型应用:

工业机器加工中心、旋转工作台、重型设备塔台、电缆卷盘、包装设备、磁性离合器、工艺控制设备、旋转传感器、紧急照明设备、机器人、展览/显示设备、医疗设备、旋转门等;

产品等级表
MSP1039 是 MSP103 的高端版本,主要应用要求非常高的军事,航空航天等, 区别如下:
型号最高转速使用寿命扭矩电气噪音①@10Rpm
MSP103250RPM2000万0.02 N.m10mΩ
MSP10391000RPM1亿0.005 N.m4mΩ

技术规格参数
电气技术指标机械技术指标
参数数值参数数值
功率信号工作温度-30℃~80℃
额定电压0~210VAC/VDC0~210VAC/VDC工作湿度0~85% RH
绝缘电阻≥1000MΩ/500VDC≥1000MΩ/500VDC接触材料金-金
导线规格AWG26#镀锡铁氟龙AWG26#镀锡铁氟龙防护等级IP41
导线长度标准长度300mm(可据要求调整)
绝缘强度500VAC@50Hz,60s
动态电阻变化值<0.01Ω


MSP103滑环选型表
型号信号或1A产品等级
MSP1033通用
MSP10393高端

注:N个1A 电流环并起来可作为1路N*1A电流环使用;比如: 2环1A 并起来做作为 1路2A 使用。

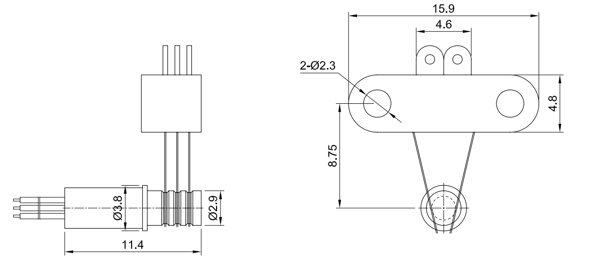
标准图纸



同系列更多产品参考:
获取产品3D图纸
X

经过多年的经验积累,默孚龙拥有20万多个产品3D图档数据库,
由于互联网的开放性和同行竞争,需要产品3D图档的客户请留下电子邮箱或者QQ。

审核完联系方式后,我们的系统将在5分钟内把3D自动发动到您的电子邮箱!