¹¤Òµ»úÆ÷¼Ó¹¤ÖÐÐÄ¡¢Ðýת¹¤×÷̨¡¢ÖØÐÍÉ豸Ëþ̨¡¢µçÀ¾íÅÌ¡¢°ü×°É豸¡¢´ÅÐÔÀëºÏÆ÷¡¢¹¤ÒÕ¿ØÖÆÉ豸¡¢Ðýת´«¸ÐÆ÷¡¢½ô¼±ÕÕÃ÷É豸¡¢»úÆ÷ÈË¡¢Õ¹ÀÀ/ÏÔʾÉ豸¡¢Ò½ÁÆÉ豸¡¢ÐýתÃŵȣ»
| ²úÆ·µÈ¼¶±í | ||||
| MSP1109AC ÊÇ MSP110AC µÄ¸ß¶Ë°æ±¾£¬Ö÷ÒªÓ¦ÓÃÒªÇó·Ç³£¸ßµÄ¾üÊ£¬º½¿Õº½ÌìµÈ, Çø±ðÈçÏÂ: | ||||
| ÐͺŠ| ×î¸ßתËÙ | ʹÓÃÊÙÃü | Ť¾Ø | µçÆøÔëÒô¢Ù@10Rpm |
| MSP110AC | 250RPM | 2000Íò | 0.02 N.m | 10m¦¸ |
| MSP1109AC | 1000RPM | 1ÒÚ | 0.005 N.m | 4m¦¸ |
| ¼¼Êõ¹æ¸ñ²ÎÊý | ||||
| µçÆø¼¼ÊõÖ¸±ê | »úе¼¼ÊõÖ¸±ê | |||
| ²ÎÊý | ÊýÖµ | ²ÎÊý | ÊýÖµ | |
| ¹¦ÂÊ | ÐźŠ| ¹¤×÷ÎÂ¶È | -30¡æ~80¡æ | |
| ¶î¶¨µçѹ | 0~240VAC/VDC | 0~240VAC/VDC | ¹¤×÷ʪ¶È | 0~85% RH |
| ¾øÔµµç×è | ¡Ý1000M¦¸/500VDC | ¡Ý1000M¦¸/500VDC | ½Ó´¥²ÄÁÏ | ½ð-½ð |
| µ¼Ïß¹æ¸ñ | AWG32#¶ÆÎýÌú·úÁú | AWG32#¶ÆÎýÌú·úÁú | ·À»¤µÈ¼¶ | IP41 |
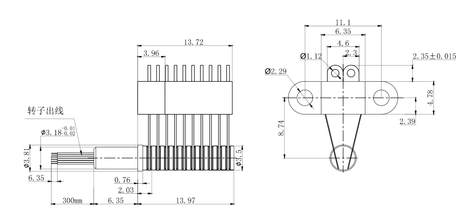
| µ¼Ïß³¤¶È | ±ê×¼³¤¶È300mm£¨¿É¾ÝÒªÇóµ÷Õû£© | |||
| ¾øÔµÇ¿¶È | 500VAC@50Hz£¬60s | |||
| ¶¯Ì¬µç×è±ä»¯Öµ | <0.01¦¸ | |||








¾¹ý¶àÄêµÄ¾Ñé»ýÀÛ£¬Ä¬æÚÁúÓµÓÐ20Íò¶à¸ö²úÆ·3DͼµµÊý¾Ý¿â£¬
ÓÉÓÚ»¥ÁªÍøµÄ¿ª·ÅÐÔºÍͬÐоºÕù£¬ÐèÒª²úÆ·3DͼµµµÄ¿Í»§ÇëÁôϵç×ÓÓÊÏä»òÕßQQ¡£
ÉóºËÍêÁªÏµ·½Ê½ºó£¬ÎÒÃǵÄϵͳ½«ÔÚ5·ÖÖÓÄÚ°Ñ3D×Ô¶¯·¢¶¯µ½ÄúµÄµç×ÓÓÊÏ䣡