高清滑环是用于高清视频信号(包括1080P,4K或者8K)传输和通信的一款产品,主要应用于360度连续旋转且需要保证电源,高清,超高清视频信号不能中断的场合:如各种高端摄像车,电影拍摄设备,无人汽车,军用无人机吊舱,工业无人机吊舱,高清摄像头云台,球机等;
| 技术规格参数 | |||
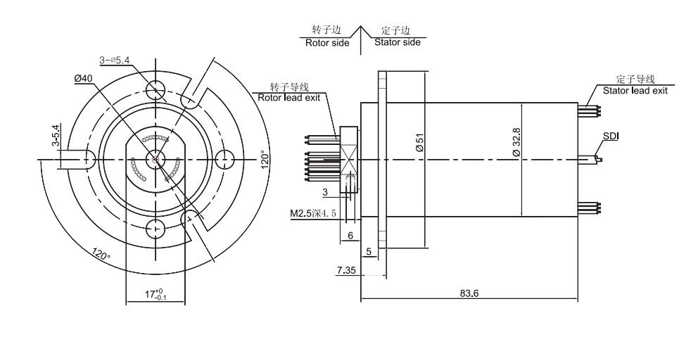
| 高清旋转接头技术参数 | |||
| 参数 | 数值 | 参数 | 数值 |
| 输入输出 | RG-179/U | 最大转速 | 50RPM |
| 寿命 | 2亿转 | 接头类型 | BNC/F |
| 阻抗 | 75 ohms | 额定电流 | 直流1A(最大) |
| 电气技术指标 | |||
| 参数 | 数值 | ||
| 功率 | 信号 | ||
| 额定电压 | 0~440VAC/VDC | 0~440VAC/VDC | |
| 绝缘电阻 | ≥200MΩ/300VDC | ≥200MΩ/300VDC | |
| 导线规格 | AWG28#镀锡铁氟龙 | AWG28#镀锡铁氟龙 | |
| 导线长度 | 标准长度300mm(可据要求调整) | ||
| 绝缘强度 | 500VAC@50Hz,60s | ||
| 动态电阻变化值 | <0.01Ω | ||
| 机械技术指标 | |||
| 参数 | 数值 | ||
| 工作寿命 | 1000万转 | ||
| 额定转速 | 250RPM | ||
| 工作温度 | -30℃~80℃ | ||
| 工作湿度 | 0~85% RH | ||
| 接触材料 | 金-金 | ||
| 壳体材料 | 铝合金 | ||
| 转动扭矩 | 0.05N.m;+0.01N.m/6路 | ||
| 防护等级 | IP51 | ||






经过多年的经验积累,默孚龙拥有20万多个产品3D图档数据库,
由于互联网的开放性和同行竞争,需要产品3D图档的客户请留下电子邮箱或者QQ。
审核完联系方式后,我们的系统将在5分钟内把3D自动发动到您的电子邮箱!