2025年老哥论坛51一品茶楼,小红楼论坛资料大全最新版本更新内 ,老九品茶楼凤楼论坛官网51论坛一品楼,51风流平台现在叫什么名字51一品茶楼论坛

±ê×¼²úÆ··ÖÀà

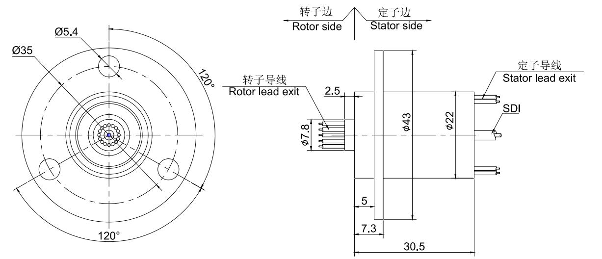
MSDI216ϵÁÐ µ¥Í¨µÀ¸ßÇåHD-SDI»¬»·
MSDI216ϵÁÐ µ¥Í¨µÀ¸ßÇåHD-SDI»¬»·
  • ¡¤ MSDI216ϵÁÐHD-SDI¸ßÇåÔÆÌ¨»¬»·,Ö§³Ö1·HD-SDI¸ßÇåÐźÅ(ͬÖáµçÀÂ) + 12~30·Ðźţ¨2A£©Í¬Ê±´«Ê䣬רÃÅΪ¸ßÇåÊÓÆµÐźÅ1080P¶øÉè¼ÆÑз¢µÄÒ»¿î¸ß¶Ëµ¼µç»¬»·. ×î¸ßËÙÂʿɴï3GHZ, ÄÜ»ìºÏ1~30·ÐźźÍ΢СµçÁ÷¡£
  • ¡¤ ²úÆ·²ÉÓÃÃÀ¹ú¾ü¹¤±íÃæ´¦Àí¹¤ÒÕ£¬³¬Ó²½ð¶Æ²ã´¦Àí£¬±£Ö¤¼«µÍµç×貨¶¯ºÍ³¬³¤¹¤×÷ÊÙÃü¡£
  • ¡¤ Ö÷ÒªÓÃÓÚ´«ÊäÖÐСÐÍϵͳ΢Èõ¿ØÖÆÐźÅ£¬Î¢ÈõµçÁ÷¡£ÈçÊÓÆµ£¬¿ØÖÆ£¬´«¸Ð£¬µçÔ´£¬ÒÔÌ«Íø¡£
  • ¡¤ µäÐÍÓ¦Ó㺸ßÇå°²·À¼à¿Ø£¬ÉãÓ°ÉãÏñ£¬¸ßÇåÉãÏñ¡£

µäÐÍÓ¦Óãº

¸ßÇ廬»·ÊÇÓÃÓÚ¸ßÇåÊÓÆµÐźţ¨°üÀ¨1080P£¬4K»òÕß8K£©´«ÊäºÍͨÐŵÄÒ»¿î²úÆ·£¬Ö÷ÒªÓ¦ÓÃÓÚ360¶ÈÁ¬ÐøÐýתÇÒÐèÒª±£Ö¤µçÔ´£¬¸ßÇ壬³¬¸ßÇåÊÓÆµÐźŲ»ÄÜÖжϵij¡ºÏ£ºÈç¸÷Öָ߶ËÉãÏñ³µ£¬µçÓ°ÅÄÉãÉ豸£¬ÎÞÈËÆû³µ£¬¾üÓÃÎÞÈË»úµõ²Õ£¬¹¤ÒµÎÞÈË»úµõ²Õ£¬¸ßÇåÉãÏñÍ·ÔÆÌ¨£¬Çò»úµÈ£»

¼¼Êõ¹æ¸ñ²ÎÊý
¸ßÇåÐýת½ÓÍ·¼¼Êõ²ÎÊý
²ÎÊýÊýÖµ²ÎÊýÊýÖµ
ÊäÈëÊä³öRG-179/U×î´óתËÙ50RPM
ÊÙÃü2ÒÚת½ÓÍ·ÀàÐÍBNC/F
×迹75 ohms¶î¶¨µçÁ÷Ö±Á÷1A(×î´ó)
µçÆø¼¼ÊõÖ¸±ê
²ÎÊýÊýÖµ
¹¦ÂÊÐźÅ
¶î¶¨µçѹ0~440VAC/VDC0~440VAC/VDC
¾øÔµµç×è¡Ý1000M¦¸/500VDC¡Ý1000M¦¸/500VDC
µ¼Ïß¹æ¸ñAWG28#¶ÆÎýÌú·úÁúAWG28#¶ÆÎýÌú·úÁú
µ¼Ïß³¤¶È±ê×¼³¤¶È300mm£¨¿É¾ÝÒªÇóµ÷Õû£©
¾øÔµÇ¿¶È500VAC@50Hz£¬60s
¶¯Ì¬µç×è±ä»¯Öµ<0.01¦¸
»úе¼¼ÊõÖ¸±ê
²ÎÊýÊýÖµ
¹¤×÷ÊÙÃü1000Íòת
¶î¶¨×ªËÙ250RPM
¹¤×÷ζÈ-30¡æ~80¡æ
¹¤×÷ʪ¶È0~85% RH
½Ó´¥²ÄÁϽð-½ð
¿ÇÌå²ÄÁÏÂÁºÏ½ð
ת¶¯Å¤¾Ø0.05N.m£»+0.01N.m/6·
·À»¤µÈ¼¶IP51



MSDI216 ¸ßÇ廬»·Ñ¡Ðͱí
ÐͺÅHD-SDI¸ßÇåͨÐÅËÙÂÊÐźţ¨2A£©Íâ¾¶*³¤¶È
MSDI2161ͨµÀ RG-179(75¦¸)DC-3GHz16¦µ22.0mm*28.8mm

×¢£ºN¸ö2A µçÁ÷»·²¢ÆðÀ´¿É×÷Ϊ1·N*2AµçÁ÷»·Ê¹Óã»±ÈÈç: 2»·2A ²¢ÆðÀ´×ö×÷Ϊ 1·4A ʹÓá£

±ê׼ͼֽ

ͬϵÁиü¶à²úÆ·²Î¿¼£º
»ñÈ¡²úÆ·3Dͼֽ
X

¾­¹ý¶àÄêµÄ¾­Ñé»ýÀÛ£¬Ä¬æÚÁúÓµÓÐ20Íò¶à¸ö²úÆ·3DͼµµÊý¾Ý¿â£¬
ÓÉÓÚ»¥ÁªÍøµÄ¿ª·ÅÐÔºÍͬÐоºÕù£¬ÐèÒª²úÆ·3DͼµµµÄ¿Í»§ÇëÁôϵç×ÓÓÊÏä»òÕßQQ¡£

ÉóºËÍêÁªÏµ·½Ê½ºó£¬ÎÒÃǵÄϵͳ½«ÔÚ5·ÖÖÓÄÚ°Ñ3D×Ô¶¯·¢¶¯µ½ÄúµÄµç×ÓÓÊÏ䣡