2025年老哥论坛51一品茶楼,小红楼论坛资料大全最新版本更新内 ,老九品茶楼凤楼论坛官网51论坛一品楼,51风流平台现在叫什么名字51一品茶楼论坛

±ê×¼²úÆ··ÖÀà

  • MGP3ϵÁÐ ¶à¹¦ÄÜÁ÷ÌåÐýת½ÓÍ·
  • MGP3ϵÁÐ ¶à¹¦ÄÜÁ÷ÌåÐýת½ÓÍ·
MGP3ϵÁÐ 3ͨµÀ¶à¹¦ÄÜÁ÷ÌåÐýת½ÓÍ·
  • ¡¤ ѹÁ¦·¶Î§¹ã£¬×î´ó¿É´ï50MPa¡£
  • ¡¤ רҵÃÜ·â¼¼Êõ£¬ÊÊÓÃÓÚÊÊÓÃÓÚÕæ¿ÕºÍË«ÏòѹÁ¦ÒÔ¼°¶ÀÁ¢µÄÁ÷µÀ¡£
  • ¡¤ ¿Éͬʱ´«Ê䲻ͬÀàÐ͵ĽéÖÊ£¬Èç´«ÊäѹËõ¿ÕÆø,Õæ¿Õ,ҺѹÓÍ,Ë®,ÈÈË®,Àä
      È´Òº,ÕôÆûµÈ½éÖÊ¡£
  • ¡¤ MGPÊÇ×îͨÓö๦ÄÜÐýת½ÓÍ·£¬¹æ¸ñÐͺŶ࣬ÊÊÓÃÓÚ90%µÄÓ¦Óó¡
      ºÏ¡£

µäÐÍÓ¦Óãº

¹¤Òµ»úÆ÷¼Ó¹¤ÖÐÐÄ¡¢Ðýת¹¤×÷̨¡¢ÖØÐÍÉ豸Ëþ̨¡¢µçÀ¾íÅÌ¡¢°ü×°É豸¡¢´ÅÐÔÀëºÏÆ÷¡¢¹¤ÒÕ¿ØÖÆÉ豸¡¢Ðýת´«¸ÐÆ÷¡¢½ô¼±ÕÕÃ÷É豸¡¢»úÆ÷ÈË¡¢Õ¹ÀÀ/ÏÔʾÉ豸¡¢Ò½ÁÆÉ豸¡¢ÐýתÃŵÈ£»

ÐͺŶ©¹ºËµÃ÷£º


²úÆ·µÈ¼¶Ñ¡Ðͱí
²úÆ·µÈ¼¶´úºÅ×î¸ßתËÙ¹¤×÷ÊÙÃüÃÜ·â¼þ
VC£¨Í¨Óü¶£©100RPM600Íòת¹úÄÚÖªÃûÆ·ÅÆÃÜ·â¼þ
VD£¨¹¤Òµ¼¶£©300RPM2000Íòת½ø¿ÚÃÜ·â¼þ

¼¼Êõ¹æ¸ñ²ÎÊý
»úе¼¼ÊõÖ¸±êÐýת½ÓÍ·²¿·Ö¼¼ÊõÖ¸±ê
²ÎÊýÊýÖµ²ÎÊýÊýÖµ
¹¤×÷ÊÙÃü²Î¿¼²úÆ·Ñ¡Ð͵ȼ¶Í¨µÀÊý2,3,4,6,8ͨµÀ
¶î¶¨×ªËٲο¼²úÆ·Ñ¡Ð͵ȼ¶×î´óѹÁ¦50MPa (¿É¶¨ÖƸßѹ)£¬Õæ¿Õ 30HG
¹¤×÷ζÈ-30¡æ~80¡æ¿É¹ý½éÖÊ¿ÕÆø,Õæ¿Õ,ҺѹÓÍ,Ë®,ÈÈË®,ÀäÈ´Òº,ÕôÆûµÈ
¹¤×÷ʪ¶È0~85% RHŤ¾ØÓë½Ó¿Ú³ß´çÏà¹Ø£¬Ïê¼ûÑ¡Ðͱí
ÃÜ·â¼þ²Î¿¼²úÆ·µÈ¼¶Ñ¡Ðͱí
¿ÇÌå²ÄÁÏÂÁºÏ½ð/¸Ö
·À»¤µÈ¼¶IP51



MGP3ϵÁÐÑ¡Ðͱí
ÐͺÅͨµÀÊý½Ó¿Ú³ß´çÄڿ׳ߴçѹÁ¦·¶Î§
MGP313½ø3³öG1/8"N/A0-50MPa
MGP31-ID123½ø3³öG1/8"12mm0-50MPa
MGP323½ø3³öG1/4"N/A0-50MPa
MGP32-ID193½ø3³öG1/4"19mm0-50MPa
MGP333½ø3³öG3/8"N/A0-50MPa
MGP33-ID193½ø3³öG3/8"19mm0-50MPa
MGP343½ø3³öG1/2"N/A0-50MPa
MGP34-ID193½ø3³öG1/2"19mm0-50MPa
MGP363½ø3³öG3/4"N/A0-50MPa
MGP373½ø3³öG7/8"N/A0-50MPa

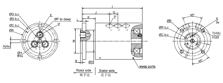
MGP3ϵÁУ¨¶à¹¦ÄÜÐýת½ÓÍ·£©³ß´çͼ

ͬϵÁиü¶à²úÆ·²Î¿¼£º
»ñÈ¡²úÆ·3Dͼֽ
X

¾­¹ý¶àÄêµÄ¾­Ñé»ýÀÛ£¬Ä¬æÚÁúÓµÓÐ20Íò¶à¸ö²úÆ·3DͼµµÊý¾Ý¿â£¬
ÓÉÓÚ»¥ÁªÍøµÄ¿ª·ÅÐÔºÍͬÐоºÕù£¬ÐèÒª²úÆ·3DͼµµµÄ¿Í»§ÇëÁôϵç×ÓÓÊÏä»òÕßQQ¡£

ÉóºËÍêÁªÏµ·½Ê½ºó£¬ÎÒÃǵÄϵͳ½«ÔÚ5·ÖÖÓÄÚ°Ñ3D×Ô¶¯·¢¶¯µ½ÄúµÄµç×ÓÓÊÏ䣡