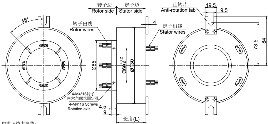
GT60130ϵÁÐÕûÌåʽ¾«Ãܵ¼µç»¬»·£¬Ö÷ÒªÓ¦ÓÃÓÚ360¶ÈÁ¬ÐøÐýתÇÒÐèÒª±£Ö¤µçÔ´£¬ÐźŲ»ÄÜÖжϵij¡ºÏ£º¶àÓÃÓÚ¸ÉÔïÉ豸£¨Èçºæ¸É»ú¡¢¸ÉÔïÃð¾úÉ豸¡¢Á¸Ê³ºæ¸É»úµÈ£©¡¢Á÷ÑÓĤÉ豸¡¢ÈýÏֱཻÁ÷ÒDZí¼ì¶¨×°Öá¢ÓÎÀÖÉèÊ©£¨Èç¶ù ͯ³ËÆïϵÁÐÓÎÒÕ»ú¡¢ÐýתľÂí£©¡¢ÑÐÄ¥Å×¹â»ú¡¢ÆðÖØ»ú¡¢°²¼ìרÓÃÉ豸¡¢µçÓ°É豸µÈÈÎÒâÐèÒª360¡ãÐýתµ¼µç»ò´«Êä¸÷ÖÖ¿ØÖÆÐźŵÄ×°Öá£

| ¼¼Êõ¹æ¸ñ²ÎÊý | ||||
| »úе¼¼ÊõÖ¸±ê | µçÆø¼¼ÊõÖ¸±ê | |||
| ²ÎÊý | ÊýÖµ | ²ÎÊý | ÊýÖµ | |
| ¹¤×÷ÊÙÃü | 1ÒÚת | ¹¦ÂÊ | ÐźŠ| |
| ¶î¶¨×ªËÙ | 1~1800RPM | ¶î¶¨µçѹ | 0~690VAC/VDC | 0~440VAC/VDC |
| ¹¤×÷ÎÂ¶È | -30¡æ~80¡æ | ¾øÔµµç×è | ¡Ý1000M¦¸/500VDC | ¡Ý1000M¦¸/500VDC |
| ¹¤×÷ʪ¶È | 0~85% RH | µ¼Ïß¹æ¸ñ | AWG16#¶ÆÎýÌú·úÁú | AWG22#¶ÆÎýÌú·úÁú |
| ½Ó´¥²ÄÁÏ | ¹ó½ðÊô | µ¼Ïß³¤¶È | ±ê×¼³¤¶È300mm£¨¿É¾ÝÒªÇóµ÷Õû£© | |
| ¿ÇÌå²ÄÁÏ | ÂÁºÏ½ð | ¾øÔµÇ¿¶È | 1000VAC@50Hz£¬60s | |
| ת¶¯Å¤¾Ø | 0.1N.m£»+0.03N.m/6· | ¶¯Ì¬µç×è±ä»¯Öµ | <0.03¦¸ | |
| ·À»¤µÈ¼¶ | IP51 | |||








¾¹ý¶àÄêµÄ¾Ñé»ýÀÛ£¬Ä¬æÚÁúÓµÓÐ20Íò¶à¸ö²úÆ·3DͼµµÊý¾Ý¿â£¬
ÓÉÓÚ»¥ÁªÍøµÄ¿ª·ÅÐÔºÍͬÐоºÕù£¬ÐèÒª²úÆ·3DͼµµµÄ¿Í»§ÇëÁôϵç×ÓÓÊÏä»òÕßQQ¡£
ÉóºËÍêÁªÏµ·½Ê½ºó£¬ÎÒÃǵÄϵͳ½«ÔÚ5·ÖÖÓÄÚ°Ñ3D×Ô¶¯·¢¶¯µ½ÄúµÄµç×ÓÓÊÏ䣡