2025年老哥论坛51一品茶楼,小红楼论坛资料大全最新版本更新内 ,老九品茶楼凤楼论坛官网51论坛一品楼,51风流平台现在叫什么名字51一品茶楼论坛

±ê×¼²úÆ··ÖÀà

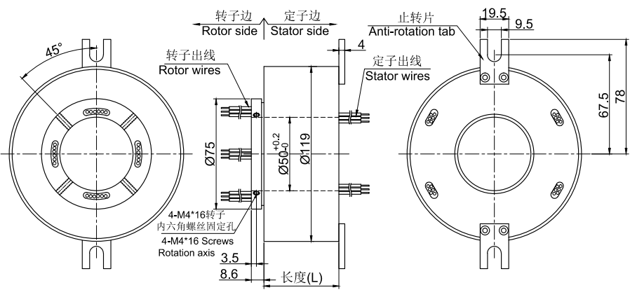
GT50119ϵÁÐ ±ê×¼ÕûÌåʽ¾«Ãܵ¼µç»¬»·
GT50119ϵÁÐ ±ê×¼ÕûÌåʽ¾«Ãܵ¼µç»¬»·
  • ¡¤ Íâ¾¶119mm, ͨ¿×Ö±¾¶Îª50mm£¨ÊÊÓÃÓÚ<=50mm£©µÄ±ê׼ϵÁÐÕûÌåʽ¾«Ãܵ¼µç»¬»·¡£*×¢Ò⣺ÈçÐè<50mmµÄÄÚ¿×£¬¿Éͨ¹ý¼ÓÄÚ³ÄÖáÌ×½â¾ö¡£
  • ¡¤ ±ê×¼»¯²úÆ·£¬ÓÐ¿â´æ
  • ¡¤ ºÜ¶àÇé¿öÏ£¬ÎÒÃdzÆÖ®ÎªÐýתµçÔ´Á¬½ÓÆ÷,µç·ÐýתÁ¬½ÓÆ÷»òÕßÊǵçÐýת½ÓÍ·
  • ¡¤ ¶Æ½ð»·+ºÏ½ðË¢£¨¶Æ½ð£©
  • ¡¤ Ö§³ÖÐźÅ£¬¹¦ÂÊ»ìºÏ´«Êä
  • ¡¤ ¿É»ùÓÚ±ê×¼ÐͺŶ¨ÖƵç·ÊýºÍµçÁ÷µçѹ

µäÐÍÓ¦Óãº

¹¤Òµ»úÆ÷¼Ó¹¤ÖÐÐÄ¡¢Ðýת¹¤×÷̨¡¢ÖØÐÍÉ豸Ëþ̨¡¢µçÀ¾íÅÌ¡¢°ü×°É豸¡¢´ÅÐÔÀëºÏÆ÷¡¢¹¤ÒÕ¿ØÖÆÉ豸¡¢Ðýת´«¸ÐÆ÷¡¢½ô¼±ÕÕÃ÷É豸¡¢»úÆ÷ÈË¡¢Õ¹ÀÀ/ÏÔʾÉ豸¡¢Ò½ÁÆÉ豸¡¢ÐýתÃŵÈ£»

ÐͺŶ©¹ºËµÃ÷£º


¼¼Êõ¹æ¸ñ²ÎÊý
»úе¼¼ÊõÖ¸±êµçÆø¼¼ÊõÖ¸±ê
²ÎÊýÊýÖµ²ÎÊýÊýÖµ
¹¤×÷ÊÙÃü1ÒÚת¹¦ÂÊÐźÅ
¶î¶¨×ªËÙ1~1800RPM¶î¶¨µçѹ0~690VAC/VDC0~440VAC/VDC
¹¤×÷ζÈ-30¡æ~80¡æ¾øÔµµç×è¡Ý1000M¦¸/500VDC¡Ý1000M¦¸/500VDC
¹¤×÷ʪ¶È0~85% RHµ¼Ïß¹æ¸ñAWG16#¶ÆÎýÌú·úÁúAWG22#¶ÆÎýÌú·úÁú
½Ó´¥²ÄÁϹó½ðÊôµ¼Ïß³¤¶È±ê×¼³¤¶È300mm£¨¿É¾ÝÒªÇóµ÷Õû£©
¿ÇÌå²ÄÁÏÂÁºÏ½ð¾øÔµÇ¿¶È1000VAC@50Hz£¬60s
ת¶¯Å¤¾Ø0.1N.m£»+0.03N.m/6·¶¯Ì¬µç×è±ä»¯Öµ<0.03¦¸
·À»¤µÈ¼¶IP51



GT50119ϵÁйý¿×»¬»·Ñ¡Ðͱí
ÐͺÅ10AÐźŻò5A³¤¶È L£¨mm)ÐͺÅ10AÐźŻò5A³¤¶È L£¨mm)
GT50119-S060658.6GT50119-P1810-S121812154.8
GT50119-P0210-S042458.6GT50119-P2410-S06246154.8
GT50119-P0410-S024258.6GT50119-P3010300154.8
GT50119-P06106058.6GT50119-S36036177.6
GT50119-S1201281.4GT50119-P0610-S30630177.6
GT50119-P0210-S1021081.4GT50119-P1210-S241224177.6
GT50119-P0410-S084881.4GT50119-P1810-S181818177.6
GT50119-P0610-S066681.4GT50119-P2410-S122412177.6
GT50119-P0810-S048481.4GT50119-P3610360177.6
GT50119-P1010-S0210281.4GT50119-S48048223.2
GT50119-P121012081.4GT50119-P0610-S42642223.2
GT50119-S18018104.2GT50119-P1210-S361236223.2
GT50119-P0210-S16216104.2GT50119-P1810-S301830223.2
GT50119-P0410-S14414104.2GT50119-P2410-S242424223.2
GT50119-P0610-S12612104.2GT50119-S60060273.8
GT50119-P0810-S10810104.2GT50119-P0610-S54654273.8
GT50119-P1010-S08108104.2GT50119-P1210-S481248273.8
GT50119-P1210-S06126104.2GT50119-P0810-S42842273.8
GT50119-P1410-S04144104.2GT50119-P2410-S362436273.8
GT50119-P1610-S02162104.2GT50119-S72072319.4
GT50119-S24024127GT50119-P0610-S66666319.4
GT50119-P1610-S181618127GT50119-P1210-S601260319.4
GT50119-P1210-S121212127GT50119-P2410-S482448319.4
GT50119-P1810-S06186127GT50119-P3610-S363636319.4
GT50119-P2410024127GT50119-S84084368
GT50119-S30030154.8GT50119-P1210-S721272368
GT50119-P0610-S20620154.8GT50119-P2410-S602460368
GT50119-P1210-S181218154.8GT50119-S96096413.6

×¢£ºÒÔÉϵĸ÷ÖÖ¹æ¸ñµÄÐýתµçÔ´Á¬½ÓÆ÷,µç·ÐýתÁ¬½ÓÆ÷,µçÐýת½ÓÍ·£¬10AºÍ ÐźÅ(5A)¿ÉÒÔÈÎÒâ×éºÏ£¬ÏêϸÇë×Éѯ¿Í·þ¡£¿ÉÔÚ±ê×¼²úÆ·ÉϽøÐÐ·Ç±ê¶¨ÖÆ£¬Çë×Éѯ¿Í·þ¡£

±ê׼ͼֽ
ͬϵÁиü¶à²úÆ·²Î¿¼£º
»ñÈ¡²úÆ·3Dͼֽ
X

¾­¹ý¶àÄêµÄ¾­Ñé»ýÀÛ£¬Ä¬æÚÁúÓµÓÐ20Íò¶à¸ö²úÆ·3DͼµµÊý¾Ý¿â£¬
ÓÉÓÚ»¥ÁªÍøµÄ¿ª·ÅÐÔºÍͬÐоºÕù£¬ÐèÒª²úÆ·3DͼµµµÄ¿Í»§ÇëÁôϵç×ÓÓÊÏä»òÕßQQ¡£

ÉóºËÍêÁªÏµ·½Ê½ºó£¬ÎÒÃǵÄϵͳ½«ÔÚ5·ÖÖÓÄÚ°Ñ3D×Ô¶¯·¢¶¯µ½ÄúµÄµç×ÓÓÊÏ䣡