2025年老哥论坛51一品茶楼,小红楼论坛资料大全最新版本更新内 ,老九品茶楼凤楼论坛官网51论坛一品楼,51风流平台现在叫什么名字51一品茶楼论坛

±ê×¼²úÆ··ÖÀà

GT2586ϵÁÐ ±ê×¼ÕûÌåʽ¾«Ãܵ¼µç»¬»·
GT2586ϵÁÐ ±ê×¼ÕûÌåʽ¾«Ãܵ¼µç»¬»·
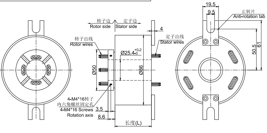
  • ¡¤ Íâ¾¶86mm, ͨ¿×Ö±¾¶Îª25.4mm£¨ÊÊÓÃÓÚ<=25.4mm£©µÄ±ê׼ϵÁÐÕûÌåʽ¾«Ãܵ¼µç»¬»·¡£*×¢Ò⣺ÈçÐè<25.4mmµÄÄÚ¿×£¬¿Éͨ¹ý¼ÓÄÚ³ÄÖáÌ×½â¾ö¡£
  • ¡¤ ±ê×¼»¯²úÆ·£¬ÓÐ¿â´æ
  • ¡¤ ¶Æ½ð»·+ºÏ½ðË¢£¨¶Æ½ð£©
  • ¡¤ Ö§³ÖÐźÅ£¬¹¦ÂÊ»ìºÏ´«Êä
  • ¡¤ ¿É»ùÓÚ±ê×¼ÐͺŶ¨ÖƵç·ÊýºÍµçÁ÷µçѹ
  • ¡¤ µäÐÍÓ¦Óãºled´óÆÁÐýת£¬´óÐÍLEDÐýת¹ã¸æÆÁ

µäÐÍÓ¦Óãº

¹ý¿×ʽµ¼µç»¬»·ÊÇĿǰ¹¤Òµ»¬»·ÀïÃæÐÔ¼Û±È×î¸ß£¬×ÏúµÄÒ»¸öϵÁвúÆ·£¬Ö÷ÒªÓ¦ÓÃÓÚ360¶ÈÁ¬ÐøÐýתÇÒÐèÒª±£Ö¤µçÔ´£¬ÐźŲ»ÄÜÖжϵij¡ºÏ£ºÈç¸÷ÖÖÀ״°²·ÀÉ豸£¬ÓéÀÖÉ豸£¬¸÷ÖÖ»úÆ÷ÈË¡¢»úеÊÖ£¬¸÷ÖÖ¸¡¿ÕÆ÷£¬¸÷ÖÖ·çÁ¦·¢µçÉ豸´µÆ¿»ú£¬µÆ¼ì»ú£¬¸÷ÖÖת̨£¬ÓÎÀÖÓÎÒÕÉ豸£¬ÐéÄâ3D£¬VRÉ豸£¬ ³µÔØÎÀÐÇÌìÏߣ¬´¬ÔØÎÀÐǵçÏߣ¬µçÀ¾íͲ£¬²Á´°»úÉ豸£¬Ðýת²Í×À£¬ÐýתÎę̀£¬ÐýתÆÁÄ»£¬Ðýת²ÍÌü£¬µç¶¯¹¤³Ì»úе£¬×îеÄVRÄ£Äâ·ÂÕæÉ豸µÈ£¬ÓÈÆäÊÇÔÚled´óÆÁÐýת»¬»·Ó¦ÓõÃ×îΪ¹ã·º¡£

ÐͺŶ©¹ºËµÃ÷£º


¼¼Êõ¹æ¸ñ²ÎÊý
»úе¼¼ÊõÖ¸±êµçÆø¼¼ÊõÖ¸±ê
²ÎÊýÊýÖµ²ÎÊýÊýÖµ
¹¤×÷ÊÙÃü1ÒÚת¹¦ÂÊÐźÅ
¶î¶¨×ªËÙ1~1800RPM¶î¶¨µçѹ0~690VAC/VDC0~440VAC/VDC
¹¤×÷ζÈ-30¡æ~80¡æ¾øÔµµç×è¡Ý1000M¦¸/500VDC¡Ý1000M¦¸/500VDC
¹¤×÷ʪ¶È0~85% RHµ¼Ïß¹æ¸ñAWG16#¶ÆÎýÌú·úÁúAWG22#¶ÆÎýÌú·úÁú
½Ó´¥²ÄÁϹó½ðÊôµ¼Ïß³¤¶È±ê×¼³¤¶È300mm£¨¿É¾ÝÒªÇóµ÷Õû£©
¿ÇÌå²ÄÁÏÂÁºÏ½ð¾øÔµÇ¿¶È800VAC@50Hz£¬60s
ת¶¯Å¤¾Ø0.1N.m£»+0.03N.m/6·¶¯Ì¬µç×è±ä»¯Öµ<0.03¦¸
·À»¤µÈ¼¶IP51



GT2586ϵÁйý¿×»¬»·Ñ¡Ðͱí
ÐͺÅ10AÐźŻò5A³¤¶È L£¨mm)ÐͺÅ10AÐźŻò5A³¤¶È L£¨mm)
GT2586-S060655.6GT2586-S30030151.8
GT2586-P0210-S042455.6GT2586-P0610-S24624151.8
GT2586-P0410-S024255.6GT2586-P1210-S181218151.8
GT2586-P06106055.6GT2586-P1810-S121812151.8
GT2586-S1201278.4GT2586-P2410-S06246151.8
GT2586-P0210-S1021078.4GT2586-P3010300151.8
GT2586-P0410-S084878.4GT2586-S36036174.6
GT2586-P0610-S066678.4GT2586-P0610-S30630174.6
GT2586-P0810-S048478.4GT2586-P1210-S241224174.6
GT2586-P1010-S0210278.4GT2586-S1810-S181818174.6
GT2586-P121012078.4GT2586-P2410-S122412174.6
GT2586-S18018101.2GT2586-P3610360174.6
GT2586-P0210-S16216101.2GT2586-S48048220.2
GT2586-P0410-S14414101.2GT2586-P0610-S42642220.2
GT2586-P0610-S12612101.2GT2586-P1210-S361236220.2
GT2586-P0810-S10810101.2GT2586-P1810-S301830220.2
GT2586-P1010-S08108101.2GT2586-P2410-S242424220.2
GT2586-P1210-S061206101.2GT2586-S60060270.8
GT2586-P1410-S041404101.2GT2586-P0610-S54654270.8
GT2586-P1610-S02162101.2GT2586-P1210-S481248270.8
GT2586-S24024124GT2586-P1810-S421842270.8
GT2586-P0610-S18618124GT2586-P2410-S362436270.8
GT2586-P1210-S121212124GT2586-S72072316.4
GT2586-P1810-S06186124GT2586-S84084365
GT2586-P2410240124GT2586-S96096410.6

×¢£º10AºÍ ÐźÅ(5A)¿ÉÒÔÈÎÒâ×éºÏ£¬ÏêϸÇë×Éѯ¿Í·þ¡£¿ÉÔÚ±ê×¼²úÆ·ÉϽøÐÐ·Ç±ê¶¨ÖÆ£¬Çë×Éѯ¿Í·þ¡£

±ê׼ͼֽ

ͬϵÁиü¶à²úÆ·²Î¿¼£º
»ñÈ¡²úÆ·3Dͼֽ
X

¾­¹ý¶àÄêµÄ¾­Ñé»ýÀÛ£¬Ä¬æÚÁúÓµÓÐ20Íò¶à¸ö²úÆ·3DͼµµÊý¾Ý¿â£¬
ÓÉÓÚ»¥ÁªÍøµÄ¿ª·ÅÐÔºÍͬÐоºÕù£¬ÐèÒª²úÆ·3DͼµµµÄ¿Í»§ÇëÁôϵç×ÓÓÊÏä»òÕßQQ¡£

ÉóºËÍêÁªÏµ·½Ê½ºó£¬ÎÒÃǵÄϵͳ½«ÔÚ5·ÖÖÓÄÚ°Ñ3D×Ô¶¯·¢¶¯µ½ÄúµÄµç×ÓÓÊÏ䣡