Ö÷ÒªÓÃÓÚ¹úÄÚÍâ¸÷ÖÖËÅ·þϵͳ£ºÈçÈÕ±¾µÄ°²´¨£¬ËÉÏ£¬ÈýÁ⣬µÂ¹úÎ÷ÃÅ×ÓËÅ·þµç»ú£¬·¨¹úÊ©Ä͵ÂËÅ·þµç»ú£¬µÂ¹úÂ×´ÄËÅ·þµç»ú£¬°ÂµØÀû±´¼ÓÀ³ËÅ·þµç»ú£¬KebaËÅ·þµç»ú£¬ÒÔÉ«ÁÐFagorËÅ·þµç»ú,µÂ¹ú±¶¸£ËÅ·þµç»ú£¬ElmoËÅ·þµç»ú£¬ÃÀ¹úµÄABËÅ·þµç»ú£¬ÈðŵËÅ·þµç»ú£¬ÒÔ¼°ÖйúµĄ̈´ïËÅ·þµç»ú¡¢¶«ÔªËÅ·þµç»ú¡¢ÉîÛڻ㴨ËÅ·þµç»ú¡¢»ªÖÐÊý¿ØËÅ·þµç»ú¡¢ÀÖ´´ËÅ·þµç»ú¡¢¹ãÌ©Êý¿ØµÈ£»

| ²úÆ·µÈ¼¶±í | |||
| ²úÆ·µÈ¼¶´úºÅ | ×î¸ßתËÙ | ¹¤×÷ÊÙÃü | ½Ó´¥²ÄÁÏ |
| VC£¨Í¨Óü¶£© | 150RPM | 1500Íòת | ¹ó½ðÊô |
| VD£¨¹¤Òµ¼¶£© | 1000RPM | 6000Íòת | ¶Æ½ð-¶Æ½ð |
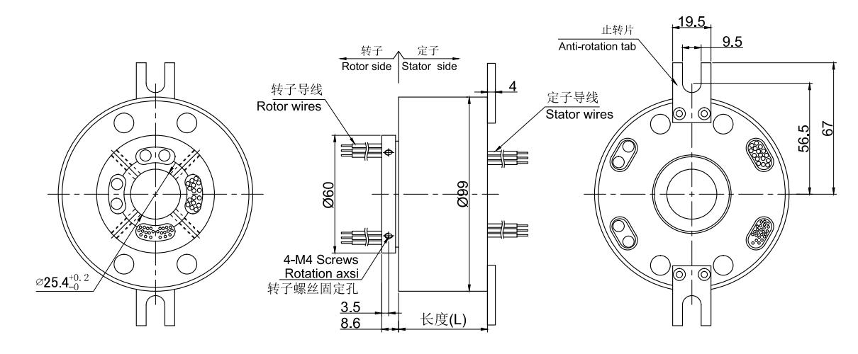
| ¼¼Êõ¹æ¸ñ²ÎÊý | ||||
| »úе¼¼ÊõÖ¸±ê | µçÆø¼¼ÊõÖ¸±ê | |||
| ²ÎÊý | ÊýÖµ | ²ÎÊý | ÊýÖµ | |
| ¹¤×÷ÊÙÃü | ²Î¿¼²úÆ·Ñ¡Ð͵ȼ¶ | ¹¦ÂÊ | ÐźŠ| |
| ¶î¶¨×ªËÙ | ²Î¿¼²úÆ·Ñ¡Ð͵ȼ¶ | ¶î¶¨µçѹ | 0~440VAC/VDC | 0~440VAC/VDC |
| ¹¤×÷ÎÂ¶È | -30¡æ~80¡æ | ¾øÔµµç×è | ¡Ý1000M¦¸/500VDC | ¡Ý1000M¦¸/500VDC |
| ¹¤×÷ʪ¶È | 0~85% RH | µ¼Ïß¹æ¸ñ | ¶¯Á¦ÏßAWG#16 | 6оÆÁ±ÎµçÀ»òAWG#22 |
| ½Ó´¥²ÄÁÏ | ²Î¿¼²úÆ·Ñ¡Ð͵ȼ¶ | µ¼Ïß³¤¶È | ±ê×¼³¤¶È300mm£¨¿É¾ÝÒªÇóµ÷Õû£© | |
| ¿ÇÌå²ÄÁÏ | ÂÁºÏ½ð | ¾øÔµÇ¿¶È | 500VAC@50Hz£¬60s | |
| ת¶¯Å¤¾Ø | 0.3N.m£»+0.03N.m/6· | ¶¯Ì¬µç×è±ä»¯Öµ | <0.01¦¸ | |
| ·À»¤µÈ¼¶ | IP51 | |||



¾¹ý¶àÄêµÄ¾Ñé»ýÀÛ£¬Ä¬æÚÁúÓµÓÐ20Íò¶à¸ö²úÆ·3DͼµµÊý¾Ý¿â£¬
ÓÉÓÚ»¥ÁªÍøµÄ¿ª·ÅÐÔºÍͬÐоºÕù£¬ÐèÒª²úÆ·3DͼµµµÄ¿Í»§ÇëÁôϵç×ÓÓÊÏä»òÕßQQ¡£
ÉóºËÍêÁªÏµ·½Ê½ºó£¬ÎÒÃǵÄϵͳ½«ÔÚ5·ÖÖÓÄÚ°Ñ3D×Ô¶¯·¢¶¯µ½ÄúµÄµç×ÓÓÊÏ䣡