2025年老哥论坛51一品茶楼,小红楼论坛资料大全最新版本更新内 ,老九品茶楼凤楼论坛官网51论坛一品楼,51风流平台现在叫什么名字51一品茶楼论坛

±ê×¼²úÆ··ÖÀà

MK241ϵÁÐ (24ͨµÀ Æø/ÆøµçÒ»Ìå Ðýת½ÓÍ·/»¬»·)
MK241ϵÁÐ (24ͨµÀ Æø/ÆøµçÒ»Ìå Ðýת½ÓÍ·/»¬»·)
  • ¡¤ MK241ϵÁÐÊÇ24Â·Æø»¬»· 24½ø24³öÆø¶¯Ðýת½ÓÍ·£¬¿É×éºÏµç, ´øG1/8"ÑÀ
  • ¡¤ ÇÒ¿Éѡͬʱͨ¹ý¹¦Âʶ¯Á¦Ïߣ¬ÐźÅÏߣ¬¹¤Òµ×ÜÏߣ¬¿ØÖÆÏߣ¬
    µç´Å·§£¬¸ÐÓ¦ÏßµÈ
  • ¡¤ ±ê׼Ϊ·¨À¼°²×°ÐÎʽ
  • ¡¤ ÄÜͨ¹ýµÄ½éÖÊÓÐ: ѹËõ¿ÕÆø£¬Õæ¿ÕµÈÆøÌå

µäÐÍÓ¦Óãº

´Ë¿îÆø¶¯Ðýת½ÓÍ·ÊÇÒ»¿îŤÁ¦Ð¡£¬ÐԼ۱ȳ¬¸ßµÄÐýת½ÓÍ·£¨Ò²½ÐÆø»¬»·»òÕ߯øµç£©£¬ ËÙ¶È×î´ó¿É´ï600RPM, ¿Éµ¥¶À´«ÊäѹËõ¿ÕÆø£¬Õæ¿Õ¸ºÑ¹µÄͬʱ£¬Ò²Í¬Ê±Äܹ»´«ÊäµçÔ´Ðźţ¬Ö÷ÒªÓ¦ÓÃÓÚ360¶ÈÁ¬ÐøÐýתÇÒÐèÒª±£Ö¤ÆøÑ¹£¬Õæ¿Õ£¬µçÔ´£¬ÐźŲ»ÄÜÖжϵij¡ºÏ£ºÈç¸÷ÖÖ×Ô¶¯»¯·Ç±êÉ豸£¬ï®µç³ØÉ豸£¬ÊÖ»ú²âÊÔÉ豸£¬ÊÖ»ú¸ß¶Ë×°±¸É豸£¬¸÷ÖÖ¼¤¹âÉ豸£¬Í¿²¼»ú ¡¢Í¿¸²¸ôĤÉ豸 ¡¢Èí°üµç³ØÓðüװĤÉ豸£¬°î¶¨É豸 ¡¢ÌùºÏÉ豸£¬µç×Ó°ëµ¼Ì幤ҵ×Ô¶¯»¯É豸£»¹âµçƽ°åÏÔʾ£¨LCD/LCM/TP/OLED/PDP£©¹¤Òµ×Ô¶¯»¯É豸¡¢¼ì²âÉ豸¡¢ÆäËû×Ô¶¯»¯·Ç±êרҵÉ豸µÈµÈ¡£

¼¼Êõ¹æ¸ñ²ÎÊý
Ðýת½ÓÍ·²¿·Ö¼¼ÊõÖ¸±ê»úе¼¼ÊõÖ¸±ê
²ÎÊýÊýÖµ²ÎÊýÊýÖµ
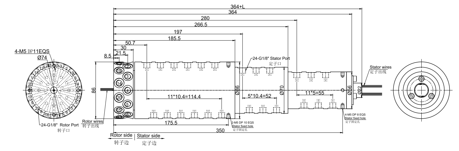
ͨµÀÊý24½ø24³ö, G1/8"¹¤×÷ÊÙÃü1000ÍòתÒÔÉÏ
×î´óѹÁ¦1MPa (¿É¶¨ÖƸßѹ)£¬Õæ¿Õ 0.01torr¶î¶¨×ªËÙ500RPM
Ť¾ØÓë½Ó¿Ú³ß´çÏà¹Ø£¬Ïê¼ûÑ¡ÐÍ±í¹¤×÷ζÈ-30¡æ~80¡æ
µçÆø¼¼ÊõÖ¸±ê¹¤×÷ʪ¶È0~85% RH
²ÎÊýÊýÖµ½Ó´¥²ÄÁϹó½ðÊô
¹¦ÂÊÐźſÇÌå²ÄÁÏÂÁºÏ½ð
¶î¶¨µçѹ0~240VAC/VDC0~240VAC/VDC·À»¤µÈ¼¶IP51
¾øÔµµç×è¡Ý500M¦¸/500VDC¡Ý500M¦¸/500VDC
µ¼Ïß¹æ¸ñAWG17#¶ÆÎýÌú·úÁúAWG22#¶ÆÎýÌú·úÁú
µ¼Ïß³¤¶È±ê×¼³¤¶È300mm£¨¿É¾ÝÒªÇóµ÷Õû£©
¾øÔµÇ¿¶È500VAC@50Hz£¬60s
¶¯Ì¬µç×è±ä»¯Öµ<0.01¦¸



MK241(´¿Æø¶¯Ðýת½ÓÍ·) ³ß´çͼ 24½ø24³öG1/8"ÑÀ


Ñ¡Ðͱí
ÐÍºÅÆøÌåͨµÀ½Ó¿Ú³ß´ç¿ÉÊÊÓ¦Æø¹Ü
MK24124G1/8"6-8mm


MK241S-S12(S18,S24,S36) ³ß´çͼ 24½ø24³öG1/8"ÑÀ+12~36·ÐźÅ(2A)


Ñ¡Ðͱí
ÐÍºÅÆøÌåͨµÀ½Ó¿Ú³ß´ç¿ÉÊÊÓ¦Æø¹ÜÐźŻòÕß2AL(mm)
MK241-S1224G1/8"6~8mm1222.5
MK241-S1824G1/8"6~8mm1829.5
MK241-S2424G1/8"6~8mm2440.1
MK241-S3624G1/8"6~8mm3653.8


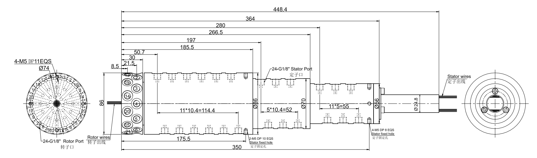
MK241S-S56 ³ß´çͼ 24½ø24³öG1/8"ÑÀ


Ñ¡Ðͱí
ÐÍºÅÆøÌåͨµÀ½Ó¿Ú³ß´ç¿ÉÊÊÓ¦Æø¹ÜÐźŻòÕß2A³¤¶È
MK241-S5624G1/8"6~8mm56448.4


MK241-PXX-SXX ³ß´çͼ£¬ 24½ø24³öG1/8ÑÀ + Ðźţ¨5A£©/10A


Ñ¡Ðͱí
ÐÍºÅÆøÌåͨµÀ½Ó¿Ú³ß´ç¿ÉÊÊÓ¦Æø¹Ü10AÐźÅ(5A)L(mm)
MK241-P061024G1/8"6~8mm6038
MK241-S0624G1/8"6~8mm0638
MK241-P121024G1/8"6~8mm12054.8
MK241-P0610-S0624G1/8"6~8mm6654.8
MK241-S1224G1/8"6~8mm01254.8
MK241-P181024G1/8"6~8mm18071.5
MK241-P0610-S1224G1/8"6~8mm61271.5
MK241-P1210-S0624G1/8"6~8mm12671.5
MK241-S1824G1/8"6~8mm01871.5
MK241-S2424G1/8"6~8mm02488.4
MK241-P0610-S1824G1/8"6~8mm61888.4
MK241-S30(2A)24G1/8"6~8mm030105.2
MK241-S36(2A)24G1/8"6~8mm036125

±¸×¢:10AºÍÐźÅ(5A)¿ÉÒÔÈÎÒâ×éºÏ£¬24Â·Æø»¬»· 24½ø24³öÆø¶¯Ðýת½ÓÍ·ÏêÇéÇë×Éѯ¿Í·þ¡£

ͬϵÁиü¶à²úÆ·²Î¿¼£º
»ñÈ¡²úÆ·3Dͼֽ
X

¾­¹ý¶àÄêµÄ¾­Ñé»ýÀÛ£¬Ä¬æÚÁúÓµÓÐ20Íò¶à¸ö²úÆ·3DͼµµÊý¾Ý¿â£¬
ÓÉÓÚ»¥ÁªÍøµÄ¿ª·ÅÐÔºÍͬÐоºÕù£¬ÐèÒª²úÆ·3DͼµµµÄ¿Í»§ÇëÁôϵç×ÓÓÊÏä»òÕßQQ¡£

ÉóºËÍêÁªÏµ·½Ê½ºó£¬ÎÒÃǵÄϵͳ½«ÔÚ5·ÖÖÓÄÚ°Ñ3D×Ô¶¯·¢¶¯µ½ÄúµÄµç×ÓÓÊÏ䣡