2025年老哥论坛51一品茶楼,小红楼论坛资料大全最新版本更新内 ,老九品茶楼凤楼论坛官网51论坛一品楼,51风流平台现在叫什么名字51一品茶楼论坛

±ê×¼²úÆ··ÖÀà

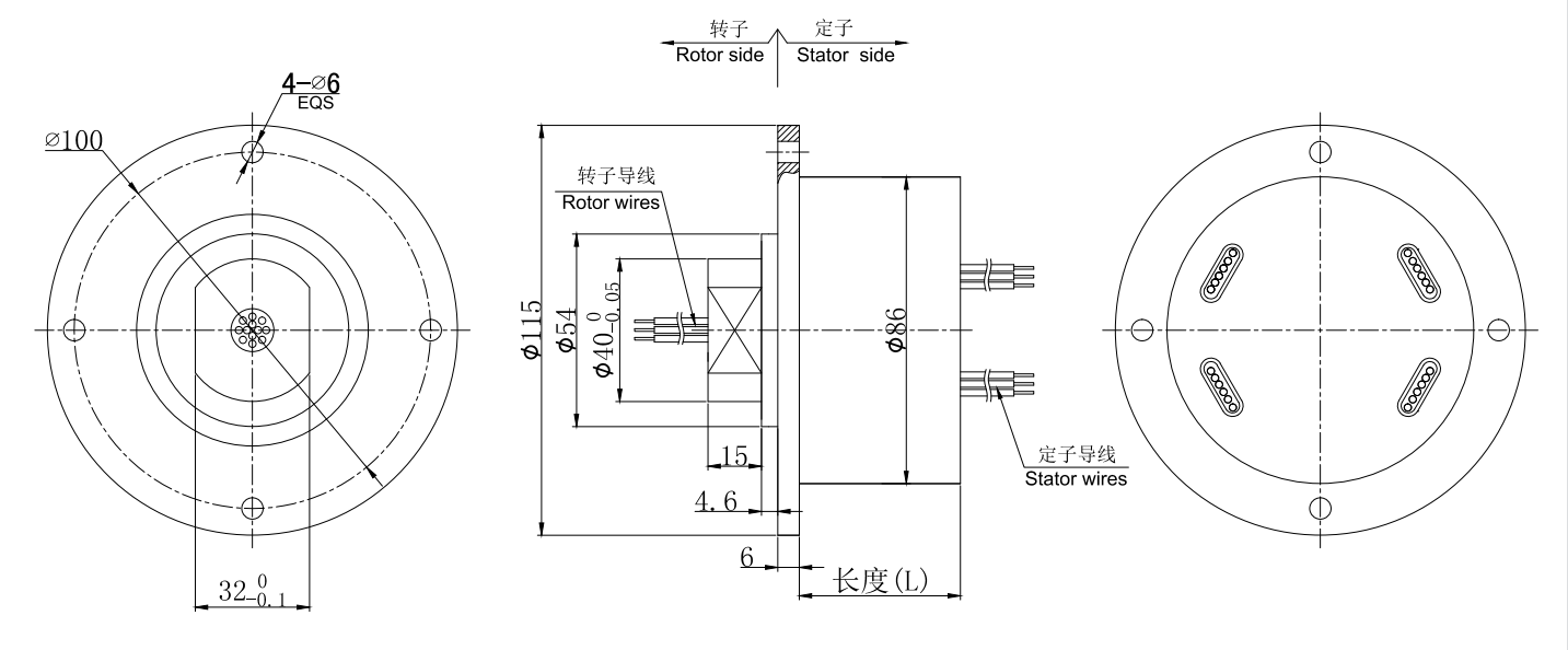
MG086ϵÁÐ ¶¨×Ó·¨À¼»¬»·
MG086ϵÁÐ ¶¨×Ó·¨À¼»¬»·
  • ¡¤ MG086ϵÁÐÃܵ¼µç»¬»·£¬µçË¢»¬»·ÊÇÍâ¾¶86mmµÄ¶¨×Ó²¿·Ö´øÁ¬½Ó·¨À¼µÄһϵÁ묻·µÄ×ܳÆ¡£
  • ¡¤ ʵÐÄ»¬»·£¬ÖÐÐÄÎÞͨ¿×£¬ ÊÊÓÃÓÚ¶¨×Ó·¨À¼¶ËÃæ°²×°
  • ¡¤ ¿ÉÒÔʵÏÖ¸ü¶àµÄ·ÊýºÍ¸ü´óµÄµçÁ÷¡£
  • ¡¤ ÄÚ²¿×ßÏߺÍÌØÊâÆÁ±ÎÄ£¿éÉè¼Æ·½±ã£¬¸üÎȶ¨¿É¿¿¡£
  • ¡¤ ͨ³£´ËÀà²úÆ·ÓÃÓÚ¶¨ÖƸ÷ÀàÃô¸ÐÐźŻòÕß±àÂëÆ÷ÐźÅ¡£

µäÐÍÓ¦Óãº

¹¤Òµ»úÆ÷¼Ó¹¤ÖÐÐÄ¡¢Ðýת¹¤×÷̨¡¢ÖØÐÍÉ豸Ëþ̨¡¢µçÀ¾íÅÌ¡¢°ü×°É豸¡¢´ÅÐÔÀëºÏÆ÷¡¢¹¤ÒÕ¿ØÖÆÉ豸¡¢Ðýת´«¸ÐÆ÷¡¢½ô¼±ÕÕÃ÷É豸¡¢»úÆ÷ÈË¡¢Õ¹ÀÀ/ÏÔʾÉ豸¡¢Ò½ÁÆÉ豸¡¢ÐýתÃŵÈ£»

ÐͺŶ©¹ºËµÃ÷£º


²úÆ·µÈ¼¶±í
²úÆ·µÈ¼¶´úºÅ×î¸ßתËÙ¹¤×÷ÊÙÃü½Ó´¥²ÄÁÏ
VC£¨Í¨Óü¶£©150RPM1500Íòת¹ó½ðÊô
VD£¨¹¤Òµ¼¶£©600RPM8000Íòת¶Æ½ð-¶Æ½ð

¼¼Êõ¹æ¸ñ²ÎÊý
»úе¼¼ÊõÖ¸±êµçÆø¼¼ÊõÖ¸±ê
²ÎÊýÊýÖµ²ÎÊýÊýÖµ
¹¤×÷ÊÙÃü²Î¿¼²úÆ·Ñ¡Ð͵ȼ¶¹¦ÂÊÐźÅ
¶î¶¨×ªËٲο¼²úÆ·Ñ¡Ð͵ȼ¶¶î¶¨µçѹ0~440VAC/VDC0~440VAC/VDC
¹¤×÷ζÈ-30¡æ~80¡æ¾øÔµµç×è¡Ý1000M¦¸/500VDC¡Ý1000M¦¸/500VDC
¹¤×÷ʪ¶È0~85% RHµ¼Ïß¹æ¸ñAWG16#¶ÆÎýÌú·úÁúAWG22#¶ÆÎýÌú·úÁú
½Ó´¥²ÄÁϲο¼²úÆ·Ñ¡Ð͵ȼ¶µ¼Ïß³¤¶È±ê×¼³¤¶È300mm£¨¿É¾ÝÒªÇóµ÷Õû£©
¿ÇÌå²ÄÁÏÂÁºÏ½ð¾øÔµÇ¿¶È500VAC@50Hz£¬60s
ת¶¯Å¤¾Ø0.1N.m£»+0.03N.m/6·¶¯Ì¬µç×è±ä»¯Öµ<0.01¦¸
·À»¤µÈ¼¶IP51



MG086ϵÁ묻·Ñ¡Ðͱí
ÐͺÅ10AÐźŻò5A³¤¶È L£¨mm)ÐͺÅ10AÐźŻò5A³¤¶È L£¨mm)
MG086-S0202 31.6 MG086-P1210-S12 12 12 106.4
MG086-P02102031.6MG086-P1810-S06 18 6106.4
MG086-S0303 35 MG086-P2410 24 0 106.4
MG086-P03103035MG086-S30 0 30 126.8
MG086-S0606 45.2MG086-P0610-S24 6 24 126.8
MG086-P0210-S042445.2MG086-P1210-S18 12 18 126.8
MG086-P0410-S024245.2MG086-P1810-S12 18 12 126.8
MG086-P06106045.2MG086-P2410-S06 24 6 126.8
MG086-S12012 65.6MG086-P3010 30 0 126.8
MG086-P0210-S1021065.6MG086-S36 0 36 147.2
MG086-P0310-S093965.6MG086-P0610-S30 6 30 147.2
MG086-P0610-S066665.6MG086-P1210-S24 12 24 147.2
MG086-P0810-S048465.6MG086-P3610 36 0 147.2
MG086-P1010-S0210265.6MG086-S42 0 42 167.6
MG086-P121012065.6MG086-P0610-S36 6 36167.6
MG086-S18018 86MG086-P1210-S30 12 30 167.6
MG086-P0210-S1621686MG086-S48 0 48 188
MG086-P0410-S1441486MG086-P0610-S42 6 42 188
MG086-P0610-S1261286MG086-P0910-S39 9 39 188
MG086-P0810-S1081086MG086-P1210-S36 12 36 188
MG086-P1010-S0810 886MG086-P1810-S30 18 30 188
MG086-P1210-S0612 686MG086-P2410-S24 24 24 188
MG086-P1410-S04 14 486MG086-S60 0 60 238.8
MG086-P1610-S02 16 286MG086-P0610-S546 54 238.8
MG086-S24 0 24 106.4MG086-P0910-S51 9 51 238.8
MG086-P0410-S20 4 20106.4MG086-P1210-S48 12 48 238.8
MG086-P0610-S18 6 18106.4MG086-S720 72 289.6

×¢£ºN¸ö10A µçÁ÷»·²¢ÆðÀ´¿É×÷Ϊ1·N*10AµçÁ÷»·Ê¹Óã»±ÈÈç: 2»·10A ²¢ÆðÀ´×ö×÷Ϊ 1·20A ʹÓá£
10AºÍÐźÅ(5A) ¿ÉÒÔÈÎÒâ×éºÏ£¬ÏêϸÇë×Éѯ¿Í·þ¡£¿ÉÔÚ±ê×¼²úÆ·ÉϽøÐÐ·Ç±ê¶¨ÖÆ£¬Çë×Éѯ¿Í·þ¡£

±ê׼ͼֽ
ͬϵÁиü¶à²úÆ·²Î¿¼£º
»ñÈ¡²úÆ·3Dͼֽ
X

¾­¹ý¶àÄêµÄ¾­Ñé»ýÀÛ£¬Ä¬æÚÁúÓµÓÐ20Íò¶à¸ö²úÆ·3DͼµµÊý¾Ý¿â£¬
ÓÉÓÚ»¥ÁªÍøµÄ¿ª·ÅÐÔºÍͬÐоºÕù£¬ÐèÒª²úÆ·3DͼµµµÄ¿Í»§ÇëÁôϵç×ÓÓÊÏä»òÕßQQ¡£

ÉóºËÍêÁªÏµ·½Ê½ºó£¬ÎÒÃǵÄϵͳ½«ÔÚ5·ÖÖÓÄÚ°Ñ3D×Ô¶¯·¢¶¯µ½ÄúµÄµç×ÓÓÊÏ䣡