2025年老哥论坛51一品茶楼,小红楼论坛资料大全最新版本更新内 ,老九品茶楼凤楼论坛官网51论坛一品楼,51风流平台现在叫什么名字51一品茶楼论坛

±ê×¼²úÆ··ÖÀà

MFO2600CϵÁÐ ¶þÊ®ÁùͨµÀ¹âÏË/¹âµç»¬»·(¹âÏËÐýת½ÓÍ·)
MFO2600CϵÁÐ 26ͨµÀ¹âÏË/¹âµç»¬»·(¹âÏËÐýת½ÓÍ·)
  • ¡¤ MFO2600C 26·¹âÏËÐýת½ÓÍ·(Ö§³Öµ¥Ä£/¶àÄ£)ÔÚ½øÐÐ360¶ÈÎÞÏÞÖÆÐýתµÄʱºòÎÞËð´«ÊäÊý¾Ý¡£ÌرðÊʺÏÓ¦ÓÃÔÚÐèÒªÎÞÏÞÖÆµÄ£¬Á¬Ðø»ò¶ÏÐøÐýת£¬ ͬʱÓÖÐèÒª´Ó¹Ì¶¨Î»Öõ½ÐýתλÖô«ËÍ´óÈÝÁ¿Êý¾Ý¡¢Ðźŵij¡Ëù£¬ÄܸÄÉÆ»úеÐÔÄÜ£¬¼ò»¯ÏµÍ³²Ù×÷£¬±ÜÃâÒò»î¶¯¹Ø½ÚµÄÐýת¶Ô¹âÏËÔì³ÉË𺦡£
  • MFO2600C¾ßÓÐÒÔÏÂÌØµã£º
  • ¡¤ ²åÈëËðºÄС£¬×ªËÙ¸ß
  • ¡¤ ÎÞ½Ó´¥¡¢ÎÞĦ²Á£¬ÊÙÃü³¤£¬µ¥Ð¾¿É´ï1ÒÚתÒÔÉÏ
  • ¡¤ Ìå»ýС¡¢ÖØÁ¿ÇᣬÃÜ·âµÈ¼¶¸ß
  • ¡¤ ¹âÏË´«µÝÐźÅ£¬ÎÞйÃÜ£¬ÎÞµç´Å¸ÉÈÅ£¬¿ÉÒÔÔ¶¾àÀë´«Êä

µäÐÍÓ¦Óãº

¹âÏË/¹âµç»¬»·ÊÇĿǰ¹¤Òµ»¬»·ÀïÃæ¼¼ÊõÄѶÈ×î¸ßµÄµÄÒ»¸öϵÁвúÆ·£¬Ö÷ÒªÓ¦ÓÃÓÚ360¶ÈÁ¬ÐøÐýתÇÒÐèÒª±£Ö¤µçÔ´£¬¹âÏËÐźŲ»ÄÜÖжϵij¡ºÏ£ºÈç¸ß¶Ë»úÆ÷ÈË¡¢¸ß¶ËÎïÁÏÊäËÍϵͳ¡¢¾üÓóµÁ¾ÉϵÄת¶¯ÅÚËþ¡¢Ô¶³Ì¿ØÖÆÏµÍ³¡¢À×´ïÌìÏß¡¢¹âÏË´«¸ÐµÈת̨£¨ËÙÂĘ̂£©µÄ¸ßËÙÊÓÆµ¡¢Êý×Ö¡¢Ä£ÄâÐźŵĴ«ÊäºÍ¿ØÖÆ¡¢Ò½ÁÆÏµÍ³¡¢ÊÓÆµ¼àÊÓϵͳ¡¢±£ÕϹú¼Ò»ò¹ú¼Ê°²È«ÏµÍ³º£µ××÷ҵϵͳ¡¢½ô¼±ÕÕÃ÷É豸¡¢»úÆ÷ÈË¡¢Õ¹ÀÀ/ÏÔʾÉ豸¡¢Ò½ÁÆÉ豸µÈ£»

ÐͺŶ©¹ºËµÃ÷£º

¼¼Êõ¹æ¸ñ²ÎÊý
Ö¸±êÃû³ÆÀàÐÍ
µ¥Ä££¨SM£©¶àÄ££¨MM£©
´ø¿í(nm)¡À50
×î´ó²åÈëËðºÄ£¬23¡æ(dB)43.5
²åÈëËðºÄ²¨¶¯(dB)21
»Ø²¨ËðºÄ(dB)¡Ý55(APC)¡Ý40(PC)
×î´óÊäÈ빦ÂÊ(W)0.5
ÖØÁ¿(g)200(²»º¬¹âÀÂ)
×î¸ßתËÙ(rpm)250
Ô¤¹ÀÊÙÃü>2ÒÚת
¹¤×÷ζÈ(¡æ)-45~85
Öü´æÎ¶È(¡æ)-50~85
·À»¤µÈ¼¶IP54


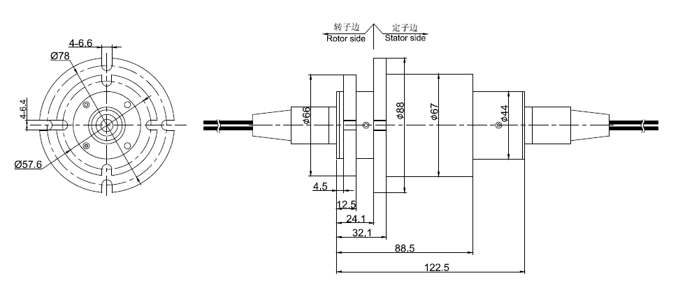
±ê׼ͼֽ

ͬϵÁиü¶à²úÆ·²Î¿¼£º
»ñÈ¡²úÆ·3Dͼֽ
X

¾­¹ý¶àÄêµÄ¾­Ñé»ýÀÛ£¬Ä¬æÚÁúÓµÓÐ20Íò¶à¸ö²úÆ·3DͼµµÊý¾Ý¿â£¬
ÓÉÓÚ»¥ÁªÍøµÄ¿ª·ÅÐÔºÍͬÐоºÕù£¬ÐèÒª²úÆ·3DͼµµµÄ¿Í»§ÇëÁôϵç×ÓÓÊÏä»òÕßQQ¡£

ÉóºËÍêÁªÏµ·½Ê½ºó£¬ÎÒÃǵÄϵͳ½«ÔÚ5·ÖÖÓÄÚ°Ñ3D×Ô¶¯·¢¶¯µ½ÄúµÄµç×ÓÓÊÏ䣡