2025年老哥论坛51一品茶楼,小红楼论坛资料大全最新版本更新内 ,老九品茶楼凤楼论坛官网51论坛一品楼,51风流平台现在叫什么名字51一品茶楼论坛

±ê×¼²úÆ··ÖÀà

ME2201ϵÁÐ ÒÔÌ«Íø»¬»·
ME2201ϵÁÐ ÒÔÌ«Íø»¬»·
  • ¡¤ 1ͨµÀ1000M ÒÔÌ«Íø+ 1~33 ͨµÀ ¹¦ÂÊ/ÐźÅ
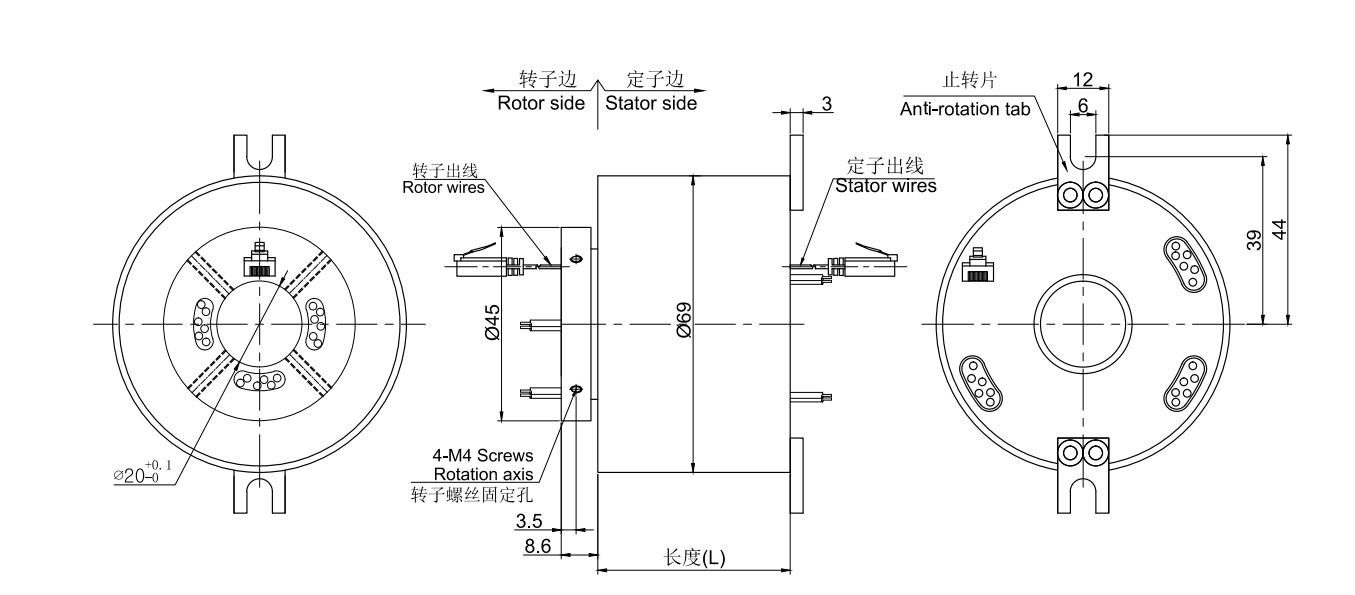
  • ¡¤ ME2201ϵÁÐ1·ǧÕ×ÍøÏß»¬»·£¬ÍøÏß»¬»·£¬ÄÚ¿×20mm£¬Í⾶Ϊ±ê×¼69mmµÄ½ô´ÕÐÍÕûÌåʽ½á¹¹µÄ1ͨµÀ100M/1000M ÒÔÌ«ÍøÕûÌåʽ¾«Ãܵ¼µç»¬»·¡£
  • ¡¤ ÄÜ»ìºÏ´«Ê书ÂʵçÁ÷£¬ÐźŵÈ£¡
  • ¡¤ ¾ßÓд«ÊäÎȶ¨£¬²»¶ª°ü£¬²»´®Â룬»ØËðС£¬²åÈëËðºÄСµÈÓŵã¡£
  • ¡¤ ÃÀ¹ú¾ü¹¤¶Æ²ã¼¼Êõ£¬¹ó½ðÊô+³¬Ó²¶Æ½ð´¦Àí¡¢³¬µÍµÄBERÎóÂëÂʺͳ¬¸ßµÄÐÅÔë±È¡£

µäÐÍÓ¦Óãº

¹¤Òµ»úÆ÷¼Ó¹¤ÖÐÐÄ¡¢Ðýת¹¤×÷̨¡¢ÖØÐÍÉ豸Ëþ̨¡¢µçÀ¾íÅÌ¡¢°ü×°É豸¡¢´ÅÐÔÀëºÏÆ÷¡¢¹¤ÒÕ¿ØÖÆÉ豸¡¢Ðýת´«¸ÐÆ÷¡¢½ô¼±ÕÕÃ÷É豸¡¢»úÆ÷ÈË¡¢Õ¹ÀÀ/ÏÔʾÉ豸¡¢Ò½ÁÆÉ豸¡¢ÐýתÃŵȣ»

ÐͺŶ©¹ºËµÃ÷£º


²úÆ·µÈ¼¶±í
²úÆ·µÈ¼¶´úºÅ×î¸ßתËÙ¹¤×÷ÊÙÃü½Ó´¥²ÄÁÏ
VC£¨Í¨Óü¶£©150RPM1000Íòת¶Æ½ð-¶Æ½ð
VD£¨¹¤Òµ¼¶£©600RPM2000Íòת½ðºÏ½ð

¼¼Êõ¹æ¸ñ²ÎÊý
ÒÔÌ«Íø²¿·Ö¼¼ÊõÖ¸±ê»úе¼¼ÊõÖ¸±ê
²ÎÊýÊýÖµ²ÎÊýÊýÖµ
1000MÒÔÌ«Íø1 · 1000MÒÔÌ«Íø¹¤×÷ÊÙÃü²Î¿¼²úÆ·Ñ¡Ð͵ȼ¶
½ÓÍ·RJ45¶î¶¨×ªËٲο¼²úÆ·Ñ¡Ð͵ȼ¶
ÎóÂëÂÊBER10E-11¹¤×÷ζÈ-30¡æ~80¡æ
µçÆø¼¼ÊõÖ¸±ê¹¤×÷ʪ¶È0~85% RH
²ÎÊýÊýÖµ½Ó´¥²ÄÁϲο¼²úÆ·µÈ¼¶Ñ¡Ðͱí
¹¦ÂÊÐźſÇÌå²ÄÁÏÂÁºÏ½ð
¶î¶¨µçѹ0~440VAC/VDC0~440VAC/VDCת¶¯Å¤¾Ø0.1N.m£»+0.03N.m/6·
¾øÔµµç×è¡Ý1000M¦¸/500VDC¡Ý1000M¦¸/500VDC·À»¤µÈ¼¶IP51
µ¼Ïß¹æ¸ñAWG17#¶ÆÎýÌú·úÁúAWG22#¶ÆÎýÌú·úÁú
µ¼Ïß³¤¶È±ê×¼³¤¶È300mm£¨¿É¾ÝÒªÇóµ÷Õû£©
¾øÔµÇ¿¶È500VAC@50Hz£¬60s
¶¯Ì¬µç×è±ä»¯Öµ<0.01¦¸



ME2201 - 1ͨµÀÒÔÌ«Íø»¬»·ÏµÁÐÑ¡Ðͱí
ÐͺÅ1000M
ÒÔÌ«Íø
10A20AÐźÅ
»ò5A
³¤¶È L
£¨mm)
ÐͺÅ1000M
ÒÔÌ«Íø
10A20AÐźÅ
»ò5A
³¤¶È L
£¨mm)
ME2201-S03100365.6ME2201-P0410-S1114011106.4
ME2201-P0310130065.6 ME2201-P0610-S091609106.4
ME2201-P0420104086ME2201-P0810-S071807106.4
ME2201-S09100986ME2201-P1010-S0511005106.4
ME2201-P0210-S07120786ME2201-P1210-S0311203106.4
ME2201-P0410-S05140586ME2201-S2110021126.8
ME2201-P0610-S03160386ME2201-S2710027150.2
ME2201-S1510015106.4ME2201-S3310033170.6
ME2201-P0210-S1312013106.4

1£©10A£¬20A£¬5A¿É¸ù¾Ý×Ô¼ºµÄÐèÒªÈκÎ×éºÏ£¬ÐèÒª2·ÒÔÉÏÍøÏßÇëÁªÏµ¿Í·þ
2 ) N¸ö10A µçÁ÷»·²¢ÆðÀ´¿É×÷Ϊ1·N*10AµçÁ÷»·Ê¹Óã»±ÈÈç: 2»·10A ²¢ÆðÀ´×ö×÷Ϊ 1·20A ʹÓá£

±ê׼ͼֽ
ͬϵÁиü¶à²úÆ·²Î¿¼£º
»ñÈ¡²úÆ·3Dͼֽ
X

¾­¹ý¶àÄêµÄ¾­Ñé»ýÀÛ£¬Ä¬æÚÁúÓµÓÐ20Íò¶à¸ö²úÆ·3DͼµµÊý¾Ý¿â£¬
ÓÉÓÚ»¥ÁªÍøµÄ¿ª·ÅÐÔºÍͬÐоºÕù£¬ÐèÒª²úÆ·3DͼµµµÄ¿Í»§ÇëÁôϵç×ÓÓÊÏä»òÕßQQ¡£

ÉóºËÍêÁªÏµ·½Ê½ºó£¬ÎÒÃǵÄϵͳ½«ÔÚ5·ÖÖÓÄÚ°Ñ3D×Ô¶¯·¢¶¯µ½ÄúµÄµç×ÓÓÊÏ䣡