¹¤ÒµÉ豸¡¢¹¤ÒµÕ¹Ì¨¡¢µçÆø²âÊÔÉ豸¡¢Ò½ÁÆÉ豸¡¢»úÆ÷ÈË¡¢²âÊÔÒÇÆ÷¡¢×ªÌ¨¡¢×Ô¶¯»¯É豸µÈ£»

| ²úÆ·µÈ¼¶Ñ¡Ðͱí | |||
| ²úÆ·µÈ¼¶´úºÅ | ×î¸ßתËÙ | ¹¤×÷ÊÙÃü | ÃÜ·â¼þ |
| VC£¨Í¨Óü¶£© | 100RPM | 1000Íòת | ¹úÄÚÖªÃûÆ·ÅÆÃÜ·â¼þ |
| VD£¨¹¤Òµ¼¶£© | 300RPM | 3000Íòת | ½ø¿ÚÃÜ·â¼þ |
| ¼¼Êõ¹æ¸ñ²ÎÊý | ||||
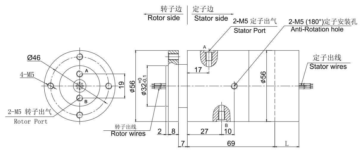
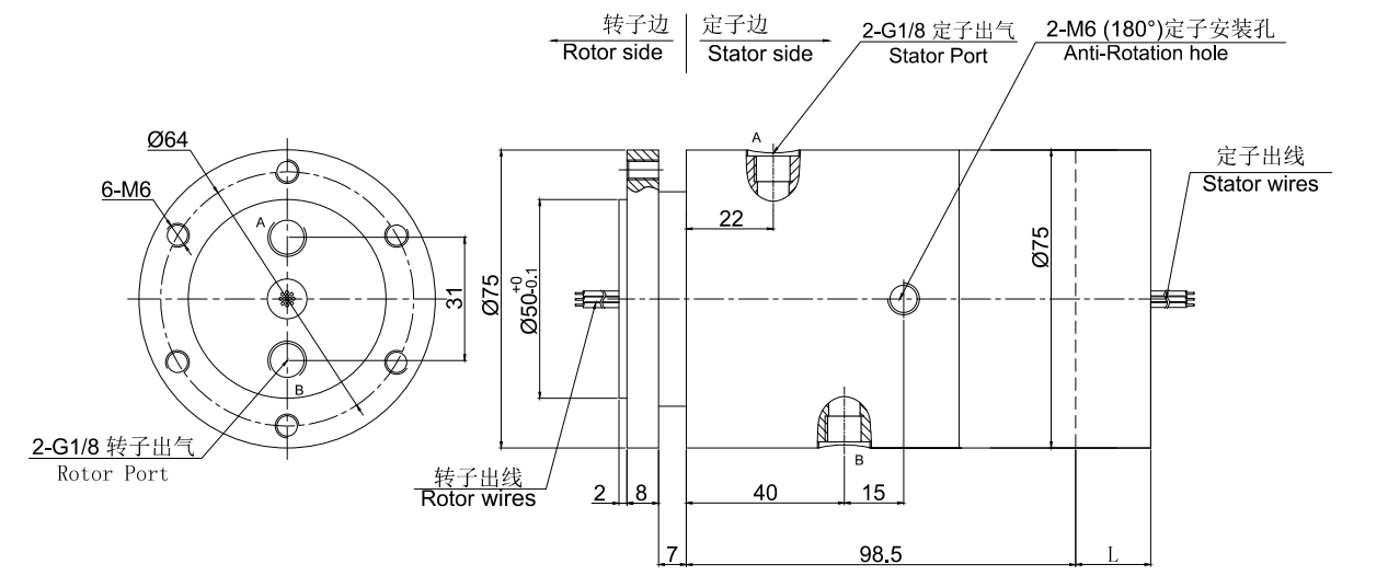
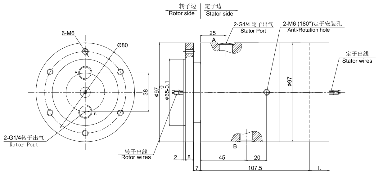
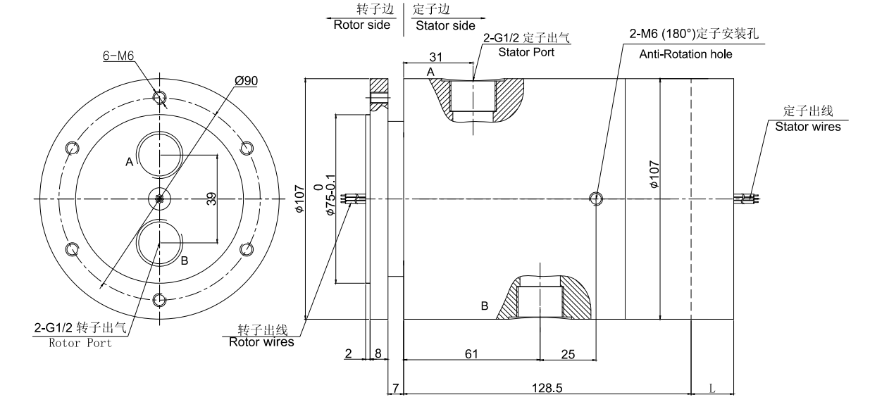
| Ðýת½ÓÍ·²¿·Ö¼¼ÊõÖ¸±ê | »úе¼¼ÊõÖ¸±ê | |||
| ²ÎÊý | ÊýÖµ | ²ÎÊý | ÊýÖµ | |
| ͨµÀÊý | 2½ø2³ö | ¹¤×÷ÊÙÃü | ²Î¿¼²úÆ·Ñ¡Ð͵ȼ¶ | |
| ×î´óѹÁ¦ | 10MPa (¿É¶¨ÖƸßѹ)£¬Õæ¿Õ 0.01torr | ¶î¶¨×ªËÙ | ²Î¿¼²úÆ·Ñ¡Ð͵ȼ¶ | |
| Ť¾Ø | Óë½Ó¿Ú³ß´çÏà¹Ø£¬Ïêϸ×Éѯ¼¼Êõ | ¹¤×÷ÎÂ¶È | -30¡æ~80¡æ | |
| µçÆø¼¼ÊõÖ¸±ê | ¹¤×÷ʪ¶È | 0~85% RH | ||
| ²ÎÊý | ÊýÖµ | ½Ó´¥²ÄÁÏ | ¹ó½ðÊô | |
| ¹¦ÂÊ | ÐźŠ| ¿ÇÌå²ÄÁÏ | ÂÁºÏ½ð | |
| ¶î¶¨µçѹ | 0~240VAC/VDC | 0~240VAC/VDC | ·À»¤µÈ¼¶ | IP51 |
| ¾øÔµµç×è | ¡Ý1000M¦¸/500VDC | ¡Ý1000M¦¸/500VDC | ||
| µ¼Ïß¹æ¸ñ | AWG28#¶ÆÎýÌú·úÁú | AWG28#¶ÆÎýÌú·úÁú | ||
| µ¼Ïß³¤¶È | ±ê×¼³¤¶È300mm£¨¿É¾ÝÒªÇóµ÷Õû£© | |||
| ¾øÔµÇ¿¶È | 500VAC@50Hz£¬60s | |||
| ¶¯Ì¬µç×è±ä»¯Öµ | <0.01¦¸ | |||








¾¹ý¶àÄêµÄ¾Ñé»ýÀÛ£¬Ä¬æÚÁúÓµÓÐ20Íò¶à¸ö²úÆ·3DͼµµÊý¾Ý¿â£¬
ÓÉÓÚ»¥ÁªÍøµÄ¿ª·ÅÐÔºÍͬÐоºÕù£¬ÐèÒª²úÆ·3DͼµµµÄ¿Í»§ÇëÁôϵç×ÓÓÊÏä»òÕßQQ¡£
ÉóºËÍêÁªÏµ·½Ê½ºó£¬ÎÒÃǵÄϵͳ½«ÔÚ5·ÖÖÓÄÚ°Ñ3D×Ô¶¯·¢¶¯µ½ÄúµÄµç×ÓÓÊÏ䣡