2025年老哥论坛51一品茶楼,小红楼论坛资料大全最新版本更新内 ,老九品茶楼凤楼论坛官网51论坛一品楼,51风流平台现在叫什么名字51一品茶楼论坛

±ê×¼²úÆ··ÖÀà

GJ4015ϵÁÐ (ÖпÕ15mm, 4½ø4³ö, ÖÐ¿ÕÆøÒºÐýת½ÓÍ·,Æø»¬»·£¬ÒºÑ¹»¬»·)
GJ4015ϵÁÐ (ÖпÕ15mm, 4½ø4³ö)
  • ¡¤ ÖÐ¿ÕÆøÒºÐýת½ÓÍ·,Æø»¬»·£¬ÒºÑ¹»¬»·
  • ¡¤ GJ4015ϵÁÐÄÚ¿×15mm¿ÕÐÄÆø¶¯Ðýת½ÓÍ·£¬ÒºÑ¹Ðýת½ÓÍ·£¬Æø»¬»·Á¬½Ó½ÓÍ·ÓÐG1/8¡¢G3/8 2ÖÖ¹æ¸ñ
  • ¡¤ ÄÜͨ¹ýµÄ½éÖÊÓÐ: ѹËõ¿ÕÆø¡¢Õæ¿Õ¡¢ÇâÆø¡¢µªÆø¡¢»¯Ñ§»ìºÏÆøÌå¡¢ÕôÆû¡¢ÀäÈ´Ë®¡¢ÈÈË®¡¢ÈÈÓÍ¡¢Ê¯ÓÍ¡¢ÁòËá¡¢ÒûÁϵÈ

µäÐÍÓ¦Óãº

¹¤Òµ»úÆ÷¼Ó¹¤ÖÐÐÄ¡¢Ðýת¹¤×÷̨¡¢ÖØÐÍÉ豸Ëþ̨¡¢µçÀ¾íÅÌ¡¢°ü×°É豸¡¢´ÅÐÔÀëºÏÆ÷¡¢¹¤ÒÕ¿ØÖÆÉ豸¡¢Ðýת´«¸ÐÆ÷¡¢½ô¼±ÕÕÃ÷É豸¡¢»úÆ÷ÈË¡¢Õ¹ÀÀ/ÏÔʾÉ豸¡¢Ò½ÁÆÉ豸¡¢ÐýתÃŵÈ£»

ÐͺŶ©¹ºËµÃ÷£º



²úÆ·µÈ¼¶Ñ¡Ðͱí
²úÆ·µÈ¼¶´úºÅ×î¸ßתËÙ¹¤×÷ÊÙÃüÃÜ·â¼þ
VC£¨Í¨Óü¶£©100RPM1000Íòת¹úÄÚÖªÃûÆ·ÅÆÃÜ·â¼þ
VD£¨¹¤Òµ¼¶£©300RPM3000Íòת½ø¿ÚÃÜ·â¼þ

¼¼Êõ¹æ¸ñ²ÎÊý
Ðýת½ÓÍ·²¿·Ö¼¼ÊõÖ¸±ê
²ÎÊýÊýÖµ
ͨµÀÊý4½ø4³ö
×î´óѹÁ¦10MPa (¿É¶¨ÖƸßѹ)£¬Õæ¿Õ 0.01torr
Ť¾ØÓë½Ó¿Ú³ß´çÏà¹Ø£¬Ïê¼ûÑ¡Ðͱí



GJ4015Æø/Òº»¬»·Ñ¡Ðͱí
ÐÍºÅÆøÌåͨµÀŤ¾Ø(N.M)½Ó¿Ú³ß´çÖпÕÄÚ¿×Ö±¾¶
GJ4015-024½ø4³ö2.3G1/815mm
GJ4015-044½ø4³ö2.5G3/815mm


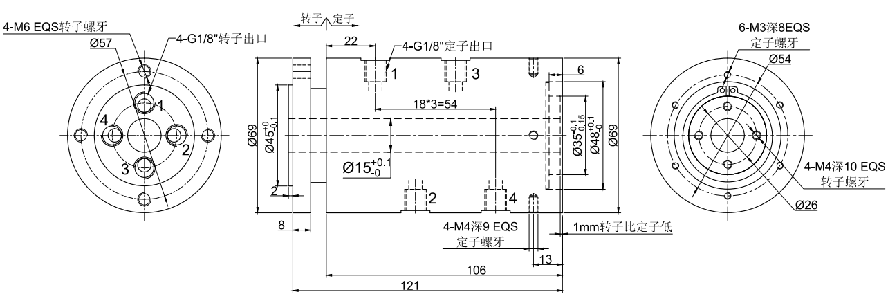
GJ4015-02³ß´çͼ 4½ø4³ö G1/8½Ó¿Ú


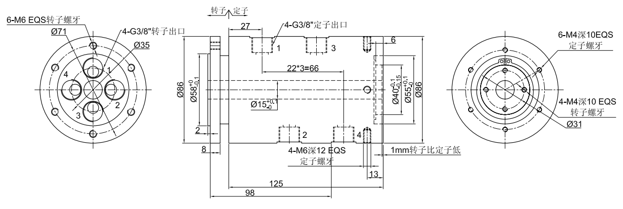
GJ4015-04³ß´çͼ 4½ø4³ö G3/8½Ó¿Ú


ͬϵÁиü¶à²úÆ·²Î¿¼£º
»ñÈ¡²úÆ·3Dͼֽ
X

¾­¹ý¶àÄêµÄ¾­Ñé»ýÀÛ£¬Ä¬æÚÁúÓµÓÐ20Íò¶à¸ö²úÆ·3DͼµµÊý¾Ý¿â£¬
ÓÉÓÚ»¥ÁªÍøµÄ¿ª·ÅÐÔºÍͬÐоºÕù£¬ÐèÒª²úÆ·3DͼµµµÄ¿Í»§ÇëÁôϵç×ÓÓÊÏä»òÕßQQ¡£

ÉóºËÍêÁªÏµ·½Ê½ºó£¬ÎÒÃǵÄϵͳ½«ÔÚ5·ÖÖÓÄÚ°Ñ3D×Ô¶¯·¢¶¯µ½ÄúµÄµç×ÓÓÊÏ䣡