2025年老哥论坛51一品茶楼,小红楼论坛资料大全最新版本更新内 ,老九品茶楼凤楼论坛官网51论坛一品楼,51风流平台现在叫什么名字51一品茶楼论坛

±ê×¼²úÆ··ÖÀà

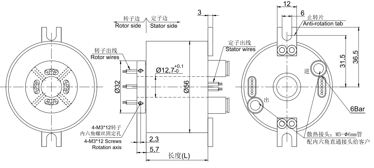
GHS1256ϵÁиßתËÙµ¼µç»¬»·
GHS1256ϵÁиßתËÙµ¼µç»¬»·
  • ¡¤ ¸ßËÙ¹ý¿×µ¼µç»¬»·£¬ÕûÌ徫Ãܵ¼µç»¬»·£¬ÄÚ¿×12.7mm£¬Íâ¾¶56mm£¬×î¸ßתËÙ12000RPM¡£
  • ¡¤ ²ÉÓÃÏȽøµÄ¹ó½ðÊô´ØË¢Ê½¶àµã½Ó´¥£¬ÔÚ¼«µÍµÄĦ²ÁÁ¦Ï±£Ö¤½Ó´¥¿É¿¿¡£
  • ¡¤ ±ê×¼»¯²úÆ·£¬ÓÐ¿â´æ
  • ¡¤ ¶Æ½ð»·+ºÏ½ðË¢£¨¶Æ½ð£©

µäÐÍÓ¦Óãº

¸ßËÙµ¼µç»¬»·µÄÓ¦ÓÃÁìÓòºÜ¶à£¬±ÈÈçÀ×´ïϵͳ¡¢¸ßËÙת̨/º£¹¤É豸¡¢½¢Í§ÏµÍ³/Ò½ÁÆÉ豸/·´Ó¦¸ª¡¢ÐýתµÆÏä¡¢ÄÌÖÆÆ·Éú²úÉ豸¡¢Ö±Éý»ú¡¢ÈÆÏß»ú¡¢Ì¹¿Ë¡¢ÖÇÄܶ¯Ì¬Íæ¾ß¡¢Ë®Æ½¶ÆÍ­Éú²úÏß¡¢ÓÎÀÖÉèÊ©¡¢Â·ÇÅ»úе¡¢»úеÊÖ±Û¡¢ÐýתÎę̀¡¢µ¥¾§Â¯¡¢ ÊÖÊõµÆ¡¢ÖÇÄܼҵç¡¢Ô²ÐÎÕëÖ¯»ú¡¢º½¿ÕÉ豸/ÈȹöÂÖ¡¢ÐýתÉãÏñ»ú¡¢À×´ïͨѶÉ豸¡¢¹ÜÄÚÉãÏñ»ú¡¢¶Ü¹¹»ú¡¢Ê³Æ·»úе¡¢¼ÓÈÈתÖáµÈ£»

ÐͺŶ©¹ºËµÃ÷£º


¼¼Êõ¹æ¸ñ²ÎÊý
»úе¼¼ÊõÖ¸±êµçÆø¼¼ÊõÖ¸±ê
²ÎÊýÊýÖµ²ÎÊýÊýÖµ
¹¤×÷ÊÙÃü3ÒÚת¹¦ÂÊÐźÅ
¶î¶¨×ªËÙ12000RPM¶î¶¨µçѹ0~440VAC/VDC0~440VAC/VDC
¹¤×÷ζÈ-30¡æ~80¡æ¾øÔµµç×è¡Ý1000M¦¸/500VDC¡Ý1000M¦¸/500VDC
¹¤×÷ʪ¶È0~85% RHµ¼Ïß¹æ¸ñAWG17#¶ÆÒøÌú·úÁúAWG22#¶ÆÒøÌú·úÁú
½Ó´¥²ÄÁϹó½ðÊôµ¼Ïß³¤¶È±ê×¼³¤¶È300mm£¨¿É¾ÝÒªÇóµ÷Õû£©
¿ÇÌå²ÄÁÏÂÁºÏ½ð¾øÔµÇ¿¶È500VAC@50Hz£¬60s
ת¶¯Å¤¾Ø0.1N.m£»+0.03N.m/6·¶¯Ì¬µç×è±ä»¯Öµ<0.03¦¸
·À»¤µÈ¼¶IP51



GHS1256ϵÁиßËÙ»¬»·Ñ¡Ðͱí
ÐͺÅ10AÐźŻò5A³¤¶È L£¨mm)ÐͺÅ10AÐźŻò5A³¤¶È L£¨mm)
GHS1256-S060648.2GHS1256-P1410-S0414486.6
GHS1256-P0210-S042448.2GHS1256-P1610-S0216286.6
GHS1256-P0410-S024248.2GHS1256-P181018086.6
GHS1256-P06106048.2GHS1256-S24024105.8
GHS1256-S1201267.4GHS1256-P0410-S20420105.8
GHS1256-P0210-S1021067.4GHS1256-P0610-S18618105.8
GHS1256-P0410-S093967.4GHS1256-P1210-S121212105.8
GHS1256-P0610-S066667.4GHS1256-P1810-S06186105.8
GHS1256-P0810-S048467.4GHS1256-S30030130
GHS1256-P1010-S0210267.4GHS1256-P0210-S28228130
GHS1256-P121012067.4GHS1256-P0410-S26426130
GHS1256-S1801886.6GHS1256-P0610-S24624130
GHS1256-P0210-S1621686.6GHS1256-S36036149.2
GHS1256-P0410-S1441486.6GHS1256-P0410-S32432149.2
GHS1256-P0610-S1261286.6GHS1256-P0610-S30630149.2
GHS1256-P0810-S1081086.6GHS1256-S42042168.4
GHS1256-P1010-S0810886.6GHS1256-P0410-S38438168.4
GHS1256-P1210-S0612686.6GHS1256-S48048187.6

±ê׼ͼֽ

ͬϵÁиü¶à²úÆ·²Î¿¼£º
»ñÈ¡²úÆ·3Dͼֽ
X

¾­¹ý¶àÄêµÄ¾­Ñé»ýÀÛ£¬Ä¬æÚÁúÓµÓÐ20Íò¶à¸ö²úÆ·3DͼµµÊý¾Ý¿â£¬
ÓÉÓÚ»¥ÁªÍøµÄ¿ª·ÅÐÔºÍͬÐоºÕù£¬ÐèÒª²úÆ·3DͼµµµÄ¿Í»§ÇëÁôϵç×ÓÓÊÏä»òÕßQQ¡£

ÉóºËÍêÁªÏµ·½Ê½ºó£¬ÎÒÃǵÄϵͳ½«ÔÚ5·ÖÖÓÄÚ°Ñ3D×Ô¶¯·¢¶¯µ½ÄúµÄµç×ÓÓÊÏ䣡