2025年老哥论坛51一品茶楼,小红楼论坛资料大全最新版本更新内 ,老九品茶楼凤楼论坛官网51论坛一品楼,51风流平台现在叫什么名字51一品茶楼论坛

分离式导电滑环的特点和使用

发布日期:2020-07-15

  有时,由于系统的尺寸或成本有限,一体式滑环并不合适。此时,我们可以提供两个独立的部分,独立的转子和接触刷组合,可以解决企业希望设备通过360°旋转连接的问题。

分体式滑环

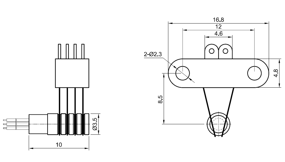
  分离式导电滑环也叫做分体式导电滑环,分离式滑环结构由转子(可选通孔或实心)和接触电刷(定子)组成。这两部分可以分别安装在设备的转轴上,使转子和转轴紧密相连,保证滑环旋转360度时信号和电流的稳定传输。

分体式滑环结构

  默孚龙分离式滑环可传输2-36条可选通路数。滑环的最小孔径可达9.5毫米,最大孔径可达100毫米。特别适用于小型精密仪器和其他设备,还可以非标定制!它可以独立安装,采用v型槽镀金设计,具有导电性好、耐磨、低摩擦、低噪音、使用寿命长的特点。


部分滑环参考型号:

MAPH200系列2进2出旋转接头|2路气液滑环|气液电组合滑环
MAPH200f系列2进2出旋转接头|2路气液滑环|气液电组合滑环
MK81系列8进8出旋转接头,8路气,真空,气电混合滑环
MK83系列8进8出旋转接头,8通道气,真空,可组合6路电,12路电
MFO200b系列2路光纤旋转接头|双路光纤导电滑环
MFO208系列2路光电滑环|双路光纤导电滑环
MMC181系列外径11.5mm6路微型导电滑环|舞台灯专用滑环
MMC182系列外径12.5mm6路微型导电滑环|无人机滑环
MMC195系列外径12.5mm12路微型导电滑环|航模专用滑环
光电滑环|双路光纤导电滑环

其他文档:
上一篇:导电滑环维护的注意事项
下一篇:盘式滑环对材料的要求

其他相关文档:
导电滑环维护的注意事项
高速滑环生产加工问题的分析
如何提升高速滑环的可靠性
风电场风机滑环结构
导电滑环的检查方法
如何装配刷丝防水滑环
导电滑环引电器与集电环的区别
微小型导电滑环的技术及应用
目前主流的CT滑环技术
论防水滑环抛光技术的重要性